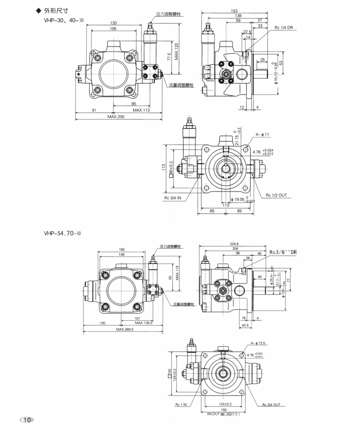
VHP-30 40 54 70 120系列变量叶片泵◆特点1高效,稳定的高压运行具有独特的定子3点支持方式有效地提高了高压性和响应性.停止时及负荷变化时,都可以的压力控制结构和压力平衡结构,独立得到高精度动作。4精确的特性,稳定的拌出量通过运行性能。压力补偿器形式压力控制结构可以达到2震动.噪音小.安静∶采用防震动高压性能,高稳定的额定排出量.5降低动力损失的高效运行∶根据和嗓音多种结构,有效地提
VHP-30 40 54 70 120系列变量叶片泵◆特点
1高效,稳定的高压运行具有独特的定子3点支持方式有效地提高了高压
性和响应性.停止时及负荷变化时,都可以的压力控制结构和压力平衡结构,独立得到高精度动作。
4精确的特性,稳定的拌出量通过运行性能。
压力补偿器形式压力控制结构可以达到
2震动.噪音小.安静∶采用防震动高压性能,高稳定的额定排出量.
5降低动力损失的高效运行∶根据和嗓音多种结构,有效地提高了定子的各种新结构能进一步降低动力损失,特稳定性,采用由双柱塞,控制柱塞和偏置别降低了全停止时的动力损失。
柱塞进行的独立3点支持方式,具有震动小,运行时平衡、噪音低的特点。
6维护、操作简单由于在本泵同快速的响应和高精度动作∶通过侧面并列安装了压力调整结构和排出量调整结构,使维护、操作更加简单。
新型挡块结构,提高了定子的变位灵活


