QW(WQ)型潜水式无堵塞排污泵QW(WQ)型潜水排污泵是在引进国外先进技术的基础上,结合国内水泵的使用特点而研制成功的新一代泵类产品,具有节能效果显著、防缠绕、无堵塞、自动安装和自动控制等特点。在排送固体颗粒和长纤维垃圾方面,具有独特效果。 QW(WQ)型型潜水式无堵塞排污泵采用独特叶轮结构和新型机械密封,能有效地输送含有固体物和长纤维。叶轮与传统叶轮相比,该泵叶轮采用单流道或双流道形式,它类似
| 品牌 | 好泵浦 |
| 适用液体 | 输送带颗粒的污水、污物,也可用于清水及带腐蚀性介质 |
| 口径 | DN25-DN600 |
| 扬程 | 5-100m |
| 功率KW | 0.75-550KW |
| 流量M3/H | 8-5500m³/h |
| 整机重量KG | 25-5000kg |
| ● 转速 | 1450-2900 |
| ● 温度 | 0-50 |
| ● 自吸高度 | 0 |
QW(WQ)型潜水式无堵塞排污泵
QW(WQ)型潜水排污泵是在引进国外先进技术的基础上,结合国内水泵的使用特点而研制成功的新一代泵类产品,具有节能效果显著、防缠绕、无堵塞、自动安装和自动控制等特点。在排送固体颗粒和长纤维垃圾方面,具有独特效果。
QW(WQ)型型潜水式无堵塞排污泵采用独特叶轮结构和新型机械密封,能有效地输送含有固体物和长纤维。叶轮与传统叶轮相比,该泵叶轮采用单流道或双流道形式,它类似于一截面大小相同的弯管,具有非常好的过流性,配以合理的蜗室,使得该泵具有效率高、叶轮经动静平衡试验,使泵在运行中无振动。
■ QW(WQ)型潜水式无堵塞排污泵型号意义:

QW(WQ)型潜水式无堵塞排污泵使用条件:
a、介质温度不得超过60℃,介质重量为1 ~ 1.3 m3。
B、对于没有内部重力循环冷却系统的泵,电机部分的外露液位不应超过1/3。
C、铸铁材料的适用范围是pH 5 ~ 9。
D、1Cr18Ni9Ti不锈钢可用于一般腐蚀介质。
E、使用环境的海拔不得超过1000m,订货时应提出,以便为您提供更可靠的产品。
注:如果用户对温度、介质等有特殊要求。,订货时请注明输送介质的详细情况,以便我公司提供更可靠的产品。
■ QW(WQ)型潜水式无堵塞排污泵产品特点:
①无堵塞QWWQ潜污泵采用独特的单叶或双叶叶轮结构,大大提高了污水通过潜污泵的能力,能有效通过5倍于污水泵直径的纤维物质和直径50左右的固体颗粒。
②QWWQ潜污泵机械密封采用新型硬质耐腐蚀碳化钨材料,密封改进为双端面密封,使其能在油室内长期运行,潜污泵可安全连续运行8000小时以上。
③QWWQ污水泵整体结构紧凑,体积小,噪音低,节能效果显著,维修方便。它可以在水下工作,无需建造泵房,从而大大降低了工程成本。
④高精度抗干扰漏水检测传感器安装在④QWWQ潜污泵的密封油室内,热敏元件嵌入定子绕组,绝对保护WQ潜污泵电机。
⑤可根据用户需要配置全自动安全保护控制柜,对潜污泵的漏水、漏电、过载、超温进行绝对保护,提高了产品的安全性和可靠性。
⑥浮球开关可以根据所需液体的变化自动控制潜污泵的启动和停止,使用起来非常方便,无需特别护理。
⑦ QWQ污水泵可根据用户需要配置双导轨自动耦合安装系统,给安装和维护带来极大的好处。很方便,大家不用为了它进污水坑。
⑧可在全升程范围内使用,电机不会过载。
⑨QWWQ潜水无堵塞排污泵有两种不同的安装方式,固定式自动耦合安装系统和移动式自由安装系统。
■ QW(WQ)型潜水式无堵塞排污泵结构图:

| 1 | 信号线 | 11 | 油水探头 |
| 2 | 电机接线 | 12 | 油室 |
| 3 | 接线盒 | 13 | 机械密封 |
| 4 | 电机盖 | 14 | 后盖板 |
| 5 | 轴承 | 15 | 泵体 |
| 6 | 上轴座 | 16 | 叶轮螺栓 |
| 7 | 电机壳 | 17 | 叶轮 |
| 8 | 定子 | 18 | 密封环 |
| 9 | 轴(转子) | 19 | 底盘 |
| 10 | 轴承 |
QW(WQ)型潜水式无堵塞排污泵结构说明:
1.信号线:配有全保险泵控制柜,全方位保护泵,包括漏水、断相、短路、过热、电机过载等。
启动8:采用B级或F级绝缘。
漏水探针11:该组件安装在油室内。当机械密封损坏时,水进入油腔,探头可以通过控制系统发出信号保护泵。
机械密封13:采用双通道串联密封,选用新型硬质耐腐蚀碳化钨材料,具有密封可靠、耐磨损、使用寿命长的特点。
Impeller 17:叶轮采用单通道或双通道结构,通过能力强,可通过大块物料和纤维废料,减少堵塞和缠绕故障。
泵体15:与叶轮配合,使泵具有高效率。
密封圈18:安装在泵体的口环处。当叶轮因运行而磨损时,可更换密封圈,以保证泵高效运行。
■ QW(WQ)型潜水式无堵塞排污泵产品用途:
QW(WQ)型潜水式无堵塞排污泵适用于工厂商业严重污染废水的排放、住宅区的污水排污站、城市污水处理厂排水系统、人防系统排水站、自来水厂的给水设备,医院、宾馆的污水排放、市政工程建筑工地、勘探、矿山配套附机、农村沼气池、农田灌溉等行业,输送带颗粒的污水、污物,也可用于清水及带腐蚀性介质。
QW(WQ)型潜水式无堵塞排污泵性能参数:
| 序号 | 型号 | 流量 m3/h | 扬程 m | 转速 r/min | 功率 kw | 口径 寸 |
| 1 | 50WQ10-10-0.75 | 10 | 10 | 2980 | 0.75 | 2 |
| 2 | 50WQ10-15-1.1 | 10 | 15 | 2980 | 1.1 | 2 |
| 3 | 65WQ20-9-1.1 | 20 | 9 | 2980 | 1.1 | 2.5 |
| 4 | 50WQ18-15-1.5 | 18 | 15 | 2980 | 1.5 | 2 |
| 5 | 65WQ25-10-1.5 | 25 | 10 | 2980 | 1.5 | 2.5 |
| 6 | 50WQ15-20-2.2 | 15 | 20 | 2980 | 2.2 | 2 |
| 7 | 65WQ25-15-2.2 | 25 | 15 | 2980 | 2.2 | 2.5 |
| 8 | 80WQ40-10-2.2 | 40 | 10 | 2980 | 2.2 | 3 |
| 9 | 100WQ50-7-2.2 | 50 | 7 | 2980 | 2.2 | 4 |
| 10 | 50WQ15-30-3 | 15 | 30 | 2980 | 3 | 2 |
| 11 | 65WQ25-20-3 | 25 | 20 | 2980 | 3 | 2.5 |
| 12 | 80WQ43-13-3 | 43 | 13 | 2980 | 3 | 3 |
| 13 | 100WQ60-10-3 | 60 | 10 | 2980 | 3 | 4 |
| 14 | 50WQ15-32-4 | 15 | 32 | 2980 | 4 | 2 |
| 15 | 65WQ20-25-4 | 20 | 25 | 2980 | 4 | 2.5 |
| 16 | 80WQ40-17-4 | 40 | 17 | 2980 | 4 | 3 |
| 17 | 100WQ60-13-4 | 60 | 13 | 2980 | 4 | 4 |
| 18 | 50WQ15-40-5.5 | 15 | 40 | 2980 | 5.5 | 2 |
| 19 | 65WQ25-35-5.5 | 25 | 35 | 2980 | 5.5 | 2.5 |
| 20 | 80WQ30-30-5.5 | 30 | 30 | 2980 | 5.5 | 3 |
| 21 | 100WQ65-18-5.5 | 65 | 18 | 2980 | 5.5 | 4 |
| 22 | 50WQ25-40-7.5 | 25 | 40 | 2980 | 7.5 | 2 |
| 23 | 65WQ30-35-7.5 | 30 | 35 | 2980 | 7.5 | 2.5 |
| 24 | 80WQ65-22-7.5 | 65 | 22 | 2980 | 7.5 | 3 |
| 25 | 100WQ80-20-7.5 | 80 | 20 | 2980 | 7.5 | 4 |
| 26 | 150WQ100-13-7.5 | 100 | 13 | 2980 | 7.5 | 6 |
| 27 | 65WQ25-50-11 | 25 | 50 | 2980 | 11 | 2.5 |
| 28 | 80WQ45-40-11 | 45 | 40 | 2980 | 11 | 3 |
| 29 | 100WQ65-30-11 | 65 | 30 | 2980 | 11 | 4 |
| 30 | 150WQ120-20-11 | 120 | 20 | 2980 | 11 | 6 |
| 31 | 200WQ200-10-11 | 200 | 10 | 2980 | 11 | 8 |
| 32 | 65WQ30-60-15 | 30 | 60 | 2980 | 15 | 2.5 |
| 33 | 80WQ45-52-15 | 45 | 52 | 2980 | 15 | 3 |
| 34 | 100WQ60-40-15 | 60 | 40 | 2980 | 15 | 4 |
| 35 | 150WQ120-28-15 | 120 | 28 | 2980 | 15 | 6 |
| 36 | 200WQ220-12-15 | 220 | 12 | 2980 | 15 | 8 |
| 37 | 65WQ30-68-18.5 | 30 | 68 | 2980 | 18.5 | 2.5 |
| 38 | 80WQ60-45-18.5 | 60 | 45 | 2980 | 18.5 | 3 |
| 39 | 100WQ80-40-18.5 | 80 | 40 | 2980 | 18.5 | 4 |
| 40 | 150WQ100-36-18.5 | 100 | 36 | 2980 | 18.5 | 6 |
| 41 | 200WQ180-18-18.5 | 180 | 18 | 2980 | 18.5 | 8 |
| 42 | 65WQ30-75-22 | 30 | 75 | 2980 | 22 | 2.5 |
| 43 | 80WQ60-50-22 | 60 | 50 | 2980 | 22 | 3 |
| 44 | 100WQ80-45-22 | 80 | 45 | 2980 | 22 | 4 |
| 45 | 150WQ150-30-22 | 150 | 30 | 2980 | 22 | 6 |
| 46 | 200WQ200-20-22 | 200 | 20 | 2980 | 22 | 8 |
| 47 | 100WQ110-10-5.5 | 110 | 10 | 1450 | 5.5 | 4 |
| 48 | 150WQ150-7-5.5 | 150 | 7 | 1450 | 5.5 | 6 |
| 49 | 80WQ80-20-7.5 | 80 | 20 | 1450 | 7.5 | 3 |
| 50 | 100WQ100-15-7.5 | 100 | 15 | 1450 | 7.5 | 4 |
| 51 | 150WQ145-9-7.5 | 145 | 9 | 1450 | 7.5 | 6 |
| 52 | 100WQ100-25-11 | 100 | 25 | 1450 | 11 | 4 |
| 53 | 150WQ150-15-11 | 150 | 15 | 1450 | 11 | 6 |
| 54 | 200WQ300-7-11 | 300 | 7 | 1450 | 11 | 8 |
| 55 | 250WQ400-5-11 | 400 | 5 | 1450 | 11 | 10 |
| 56 | 100WQ100-30-15 | 100 | 30 | 1450 | 15 | 4 |
| 57 | 150WQ150-20-15 | 150 | 20 | 1450 | 15 | 6 |
| 58 | 200WQ250-11-15 | 250 | 11 | 1450 | 15 | 8 |
| 59 | 250WQ500-5-15 | 500 | 5 | 1450 | 15 | 10 |
| 60 | 100WQ100-35-18.5 | 100 | 35 | 1450 | 18.5 | 4 |
| 61 | 150WQ180-20-18.5 | 180 | 20 | 1450 | 18.5 | 6 |
| 62 | 200WQ250-15-18.5 | 250 | 15 | 1450 | 18.5 | 8 |
| 63 | 250WQ500-8-18.5 | 500 | 8 | 1450 | 18.5 | 10 |
| 64 | 300WQ700-5-18.5 | 700 | 5 | 1450 | 18.5 | 12 |
| 65 | 100WQ100-40-22 | 100 | 40 | 1450 | 22 | 4 |
| 66 | 150WQ180-25-22 | 180 | 25 | 1450 | 22 | 6 |
| 67 | 200WQ300-16-22 | 300 | 16 | 1450 | 22 | 8 |
| 68 | 250WQ500-8-22 | 500 | 8 | 1450 | 22 | 10 |
| 69 | 300WQ700-6-22 | 700 | 6 | 1450 | 22 | 12 |
| 70 | 100WQ120-45-30 | 120 | 45 | 1450 | 30 | 4 |
| 71 | 150WQ200-30-30 | 200 | 30 | 1450 | 30 | 6 |
| 72 | 200WQ250-22-30 | 250 | 22 | 1450 | 30 | 8 |
| 73 | 250WQ600-11-30 | 600 | 11 | 1450 | 30 | 10 |
| 74 | 300WQ800-7-30 | 800 | 7 | 1450 | 30 | 12 |
| 75 | 100WQ120-50-37 | 120 | 50 | 1450 | 37 | 4 |
| 76 | 150WQ200-35-37 | 200 | 35 | 1450 | 37 | 6 |
| 77 | 200WQ350-25-37 | 350 | 25 | 1450 | 37 | 8 |
| 78 | 250WQ600-14-37 | 600 | 14 | 1450 | 37 | 10 |
| 79 | 300WQ800-9-37 | 800 | 9 | 1450 | 37 | 12 |
| 80 | 350WQ1000-7-37 | 1000 | 7 | 1450 | 37 | 14 |
| 81 | 100WQ100-60-45 | 100 | 60 | 1450 | 45 | 4 |
| 82 | 150WQ200-40-45 | 200 | 40 | 1450 | 45 | 6 |
| 83 | 200WQ300-32-45 | 300 | 32 | 1450 | 45 | 8 |
| 84 | 250WQ600-17-45 | 600 | 17 | 1450 | 45 | 10 |
| 85 | 300WQ800-12-45 | 800 | 12 | 1450 | 45 | 12 |
| 86 | 350WQ1000-9-45 | 1000 | 9 | 1450 | 45 | 14 |
| 87 | 150WQ200-48-55 | 200 | 48 | 1450 | 55 | 6 |
| 88 | 200WQ400-30-55 | 400 | 30 | 1450 | 55 | 8 |
| 89 | 250WQ600-20-55 | 600 | 20 | 1450 | 55 | 10 |
| 90 | 300WQ800-15-55 | 800 | 15 | 1450 | 55 | 12 |
| 91 | 350WQ1100-10-55 | 1100 | 10 | 1450 | 55 | 14 |
| 92 | 400WQ1300-8-55 | 1300 | 8 | 1450 | 55 | 16 |
| 93 | 150WQ200-60-75 | 200 | 60 | 1450 | 75 | 6 |
| 94 | 200WQ300-50-75 | 300 | 50 | 1450 | 75 | 8 |
| 95 | 250WQ600-25-75 | 600 | 25 | 1450 | 75 | 10 |
| 96 | 300WQ800-20-75 | 800 | 20 | 1450 | 75 | 12 |
| 97 | 350WQ1300-12-75 | 1300 | 12 | 1450 | 75 | 14 |
| 98 | 400WQ1400-11-75 | 1400 | 11 | 1450 | 75 | 16 |
| 99 | 150WQ200-70-90 | 200 | 70 | 1450 | 90 | 6 |
| 100 | 200WQ300-60-90 | 300 | 60 | 1450 | 90 | 8 |
| 101 | 250WQ600-30-90 | 600 | 30 | 1450 | 90 | 10 |
| 102 | 300WQ800-25-90 | 800 | 25 | 1450 | 90 | 12 |
| 103 | 350WQ1300-15-90 | 1300 | 15 | 1450 | 90 | 14 |
| 104 | 400WQ1500-13-90 | 1500 | 13 | 1450 | 90 | 16 |
| 105 | 150WQ200-80-110 | 200 | 80 | 1450 | 110 | 6 |
| 106 | 200WQ300-65-110 | 300 | 65 | 1450 | 110 | 8 |
| 107 | 250WQ600-40-110 | 600 | 40 | 1450 | 110 | 10 |
| 108 | 300WQ1000-25-110 | 1000 | 25 | 1450 | 110 | 12 |
| 109 | 350WQ1300-18-110 | 1300 | 18 | 1450 | 110 | 14 |
| 110 | 400WQ1600-15-110 | 1600 | 15 | 1450 | 110 | 16 |
| 111 | 150WQ200-90-132 | 200 | 90 | 1450 | 132 | 6 |
| 112 | 200WQ300-75-132 | 300 | 75 | 1450 | 132 | 8 |
| 113 | 250WQ600-50-132 | 600 | 50 | 1450 | 132 | 10 |
| 114 | 300WQ1000-30-132 | 1000 | 30 | 1450 | 132 | 12 |
| 115 | 350WQ1300-20-132 | 1300 | 20 | 1450 | 132 | 14 |
| 116 | 400WQ1600-18-132 | 1600 | 18 | 1450 | 132 | 16 |
| 117 | 150WQ200-100-160 | 200 | 100 | 1450 | 160 | 6 |
| 118 | 200WQ400-85-160 | 400 | 85 | 1450 | 160 | 8 |
| 119 | 250WQ600-60-160 | 600 | 60 | 1450 | 160 | 10 |
| 120 | 300WQ800-42-160 | 800 | 42 | 1450 | 160 | 12 |
| 121 | 350WQ1000-35-160 | 1000 | 35 | 1450 | 160 | 14 |
| 122 | 400WQ1600-20-160 | 1600 | 20 | 1450 | 160 | 16 |
| 123 | 500WQ2500-14-160 | 2500 | 14 | 1450 | 160 | 20 |
| 124 | 300WQ900-45-200 | 900 | 45 | 1450 | 200 | 12 |
| 125 | 350WQ1000-42-200 | 1000 | 42 | 1450 | 200 | 14 |
| 126 | 400WQ2000-22-200 | 2000 | 22 | 1450 | 200 | 16 |
| 127 | 500WQ2500-20-200 | 2500 | 20 | 1450 | 200 | 20 |
| 128 | 250WQ650-12-37 | 650 | 12 | 980 | 37 | 10 |
| 129 | 300WQ850-9-37 | 850 | 9 | 980 | 37 | 12 |
| 130 | 350WQ1300-6-37 | 1300 | 6 | 980 | 37 | 14 |
| 131 | 400WQ1500-6-37 | 1500 | 6 | 980 | 37 | 16 |
| 132 | 250WQ650-15-45 | 650 | 15 | 980 | 45 | 10 |
| 133 | 300WQ850-12-45 | 850 | 12 | 980 | 45 | 12 |
| 134 | 350WQ1300-8-45 | 1300 | 8 | 980 | 45 | 14 |
| 135 | 400WQ1500-7-45 | 1500 | 7 | 980 | 45 | 16 |
| 136 | 350WQ1200-9-55 | 1200 | 9 | 980 | 55 | 14 |
| 137 | 400WQ1500-8-55 | 1500 | 8 | 980 | 55 | 16 |
| 138 | 350WQ1500-12-75 | 1500 | 12 | 980 | 75 | 14 |
| 139 | 400WQ1700-10-75 | 1700 | 10 | 980 | 75 | 16 |
| 140 | 500WQ2000-8-75 | 2000 | 8 | 980 | 75 | 20 |
| 141 | 350WQ1600-14-90 | 1600 | 14 | 980 | 90 | 14 |
| 142 | 400WQ1800-12-90 | 1800 | 12 | 980 | 90 | 16 |
| 143 | 500WQ2000-10-90 | 2000 | 10 | 980 | 90 | 20 |
| 144 | 350WQ1600-17-110 | 1600 | 17 | 980 | 110 | 14 |
| 145 | 400WQ1800-15-110 | 1800 | 15 | 980 | 110 | 16 |
| 146 | 500WQ2200-12-110 | 2200 | 12 | 980 | 110 | 20 |
| 147 | 350WQ1600-18-132 | 1600 | 18 | 980 | 132 | 14 |
| 148 | 400WQ2000-15-132 | 2000 | 15 | 980 | 132 | 16 |
| 149 | 500WQ2500-12-132 | 2500 | 12 | 980 | 132 | 20 |
| 150 | 600WQ3800-8-132 | 3800 | 8 | 980 | 132 | 24 |
| 151 | 400WQ1600-22-160 | 1600 | 22 | 980 | 160 | 16 |
| 152 | 500WQ2600-16-160 | 2600 | 16 | 980 | 160 | 20 |
| 153 | 600WQ4000-10-160 | 4000 | 10 | 980 | 160 | 24 |
| 154 | 400WQ2300-22-200 | 2300 | 22 | 980 | 200 | 16 |
| 155 | 500WQ3500-15-200 | 3500 | 15 | 980 | 200 | 20 |
| 156 | 600WQ4500-12-200 | 4500 | 12 | 980 | 200 | 24 |
| 157 | 400WQ2200-28-250 | 2200 | 28 | 980 | 250 | 16 |
| 158 | 500WQ3000-21-250 | 3000 | 21 | 980 | 250 | 20 |
| 159 | 600WQ4000-18-250 | 4000 | 18 | 980 | 250 | 24 |
| 160 | 500WQ3500-25-315 | 3500 | 25 | 980 | 315 | 20 |
| 161 | 600WQ4500-20-315 | 4500 | 20 | 980 | 315 | 24 |
| 162 | 500WQ3500-30-355 | 3500 | 30 | 980 | 355 | 20 |
| 163 | 600WQ4500-22-355 | 4500 | 22 | 980 | 355 | 24 |
| 164 | 500WQ3500-32-400 | 3500 | 32 | 980 | 400 | 20 |
| 165 | 600WQ5000-22-400 | 5000 | 22 | 980 | 400 | 24 |
| 166 | 500WQ4000-36-550 | 4000 | 36 | 980 | 550 | 20 |
| 167 | 600WQ5500-25-550 | 5500 | 25 | 980 | 550 | 24 |

型号 | 口径 | 流量 | 扬程 | 转速 | 功率 | 效率 | A | B | C | D | H | 自动耦合器 |
mm | (m3/h) | (M) | (r/min) | (kw) | (%) | |||||||
25-7-8-0.55 | 25 | 7 | 8 | 2900 | 0.55 | 45 | 120 | 360 | 225 | 210 | 540 | |
25-8-22-1.1 | 25 | 8 | 22 | 2900 | 1.1 | 45 | 120 | 360 | 225 | 210 | 540 | |
32-8-12-0.75 | 32 | 8 | 12 | 2900 | 0.75 | 48 | 120 | 360 | 225 | 210 | 540 | |
32-12-15-1.1 | 32 | 12 | 15 | 2900 | 1.1 | 45 | 120 | 360 | 225 | 210 | 540 | |
40-15-15-1.5 | 40 | 15 | 15 | 2900 | 1.5 | 48 | 120 | 360 | 225 | 210 | 540 | |
40-15-30-2.2 | 40 | 15 | 30 | 2900 | 2.2 | 54 | 120 | 360 | 225 | 210 | 540 | |
50-20-7-0.75 | 50 | 20 | 7 | 2900 | 0.75 | 51 | 145 | 440 | 275 | 185 | 520 | GAK-50 |
50-10-10-0.75 | 50 | 10 | 10 | 2900 | 0.75 | 52 | 120 | 250 | 230 | 185 | 520 | GAK-50 |
50-20-15-1.5 | 50 | 20 | 15 | 2900 | 1.5 | 53 | 120 | 250 | 230 | 210 | 564 | GAK-50 |
50-15-25-2.2 | 50 | 15 | 25 | 2900 | 2.2 | 54 | 145 | 410 | 245 | 205 | 550 | GAK-50 |
50-18-30-3 | 50 | 18 | 30 | 2900 | 3 | 55 | 155 | 420 | 250 | 260 | 660 | GAK-50 |
50-40-15-4 | 50 | 40 | 15 | 2900 | 4 | 55 | 140 | 457 | 264 | 310 | 730 | GAK-50 |
50-25-32-5.5 | 50 | 25 | 32 | 2900 | 5.5 | 55 | 165 | 480 | 285 | 310 | 770 | GAK-50 |
50-20-40-7.5 | 50 | 20 | 40 | 2900 | 7.5 | 58 | 175 | 480 | 285 | 310 | 770 | GAK-50 |
65-25-15-2.2 | 65 | 25 | 15 | 2900 | 2.2 | 50 | 145 | 450 | 280 | 205 | 570 | GAK-65 |
65-37-13-3 | 65 | 37 | 13 | 2900 | 3 | 57 | 165 | 475 | 305 | 260 | 652 | GAK-65 |
65-25-30-4 | 65 | 25 | 30 | 2900 | 4 | 61 | 170 | 505 | 300 | 325 | 710 | GAK-65 |
65-30-40-7.5 | 65 | 30 | 40 | 2900 | 7.5 | 56 | GAK-65 | |||||
65-35-50-11 | 65 | 35 | 50 | 2900 | 11 | 45 | 165 | 460 | 300 | 350 | 920 | GAK-65 |
65-35-60-15 | 65 | 35 | 60 | 2900 | 15 | 65 | 165 | 460 | 300 | 350 | 920 | GAK-65 |
80-60-13-5.5 | 80 | 60 | 13 | 2900 | 5.5 | 67 | 165 | 565 | 330 | 325 | 775 | GAK-80 |
80-40-7-2.2 | 80 | 40 | 7 | 1450 | 2.2 | 59 | 165 | 510 | 330 | 260 | 640 | GAK-80 |
80-43-13-3 | 80 | 43 | 13 | 2900 | 3 | 70 | 165 | 540 | 330 | 325 | 652 | GAK-80 |
80-40-15-4 | 80 | 40 | 15 | 2900 | 4 | 61 | 180 | 565 | 330 | 325 | 775 | GAK-80 |
80-65-25-7.5 | 80 | 65 | 25 | 2900 | 7.5 | 63 | 180 | 656 | 330 | 325 | 775 | GAK-80 |
100-80-10-4 | 100 | 100 | 10 | 1450 | 4 | 65 | 220 | 700 | 430 | 420 | 800 | GAK-100 |
型号 | 口径 | 流量 | 扬程 | 转速 | 功率 | 效率 | A | B | C | D | H | 自动耦合器 |
mm | (m3/h) | (M) | (r/min) | (kw) | (%) | |||||||
100-100-15-7.5 | 100 | 100 | 15 | 1450 | 7.5 | 68 | 225 | 690 | 420 | 420 | 825 | GAK-100 |
100-80-20-7.5 | 100 | 80 | 20 | 1450 | 7.5 | 65 | 225 | 690 | 420 | 420 | 825 | GAK-100 |
100-100-25-11 | 100 | 100 | 25 | 1450 | 11 | 70 | 225 | 690 | 450 | 520 | 940 | GAK-100 |
100-100-30-15 | 100 | 100 | 30 | 1450 | 15 | 65 | GAK-100 | |||||
100-100-35-18.5 | 100 | 100 | 35 | 1450 | 18.5 | 68 | 225 | 680 | 410 | 420 | 970 | GAK-100 |
125-130-15-11 | 125 | 130 | 15 | 1450 | 11 | 72 | GAK-125 | |||||
125-130-20-15 | 125 | 130 | 20 | 1450 | 15 | 75 | GAK-125 | |||||
150-145-9-7.5 | 150 | 145 | 9 | 1450 | 7.5 | 76 | 225 | 800 | 510 | 420 | 795 | GAK-150 |
150-180-15-15 | 150 | 180 | 15 | 1450 | 15 | 69 | 275 | 950 | 610 | 520 | 1060 | GAK-150 |
150-180-20-18.5 | 150 | 180 | 20 | 1450 | 18.5 | 72 | 250 | 925 | 858 | 520 | 1060 | GAK-150 |
150-180-25-22 | 150 | 180 | 25 | 1450 | 22 | 78 | 260 | 925 | 585 | 520 | 1060 | GAK-150 |
150-130-30-22 | 150 | 130 | 30 | 1450 | 22 | 78 | 260 | 925 | 585 | 520 | 1060 | GAK-150 |
150-180-30-30 | 150 | 180 | 30 | 1450 | 30 | 78 | GAK-150 | |||||
150-200-30-37 | 150 | 200 | 30 | 1450 | 37 | 73 | 275 | 1025 | 650 | 520 | 1320 | GAK-150 |
200-300-7-11 | 200 | 300 | 7 | 980 | 11 | 66 | 290 | 990 | 610 | 520 | 1150 | GAK-200 |
200-250-11-15 | 200 | 250 | 11 | 1450 | 15 | 64 | 270 | 970 | 600 | 520 | 1120 | GAK-200 |
200-250-15-18.5 | 200 | 250 | 15 | 1450 | 18.5 | 73 | 290 | 1130 | 715 | 520 | 1130 | GAK-200 |
200-400-10-22 | 200 | 400 | 10 | 1450 | 22 | 75 | 275 | 1120 | 710 | 520 | 1130 | GAK-200 |
200-400-13-30 | 200 | 400 | 13 | 1450 | 30 | 76 | 275 | 1120 | 710 | 520 | 1320 | GAK-200 |
200-300-15-22 | 200 | 300 | 15 | 1450 | 22 | 76 | 275 | 1120 | 710 | 520 | 1130 | GAK-200 |
200-250-22-30 | 200 | 250 | 22 | 1450 | 30 | 71 | 275 | 1120 | 710 | 520 | 1290 | GAK-200 |
200-350-25-37 | 200 | 350 | 25 | 1450 | 37 | 71 | 325 | 1080 | 680 | 520 | 1370 | GAK-200 |
200-400-30-45 | 200 | 400 | 30 | 1450 | 45 | 74 | 330 | 1250 | 780 | 520 | 1370 | GAK-200 |
型号 | 口径 | 流量 | 扬程 | 转速 | 功率 | 效率 | A | B | C | D | H | 自动耦合器 |
mm | (m3/h) | (M) | (r/min) | (kw) | (%) | |||||||
250-600-9-30 | 250 | 600 | 9 | 980 | 30 | 78 | 440 | 1100 | 700 | 520 | 1660 | GAK-250 |
250-600-12-37 | 250 | 600 | 12 | 1450 | 37 | 76 | 440 | 1100 | 700 | 520 | 1660 | GAK-250 |
250-600-15-45 | 250 | 600 | 15 | 1450 | 45 | 73 | 440 | 1100 | 700 | 520 | 1660 | GAK-250 |
250-600-20-55 | 250 | 600 | 20 | 1450 | 55 | 73 | 440 | 1100 | 700 | 520 | 1700 | GAK-250 |
250-600-25-75 | 250 | 600 | 25 | 1450 | 75 | 71 | 440 | 1100 | 700 | 520 | 1750 | GAK-250 |
300-800-12-45 | 300 | 800 | 12 | 980 | 45 | 74 | 470 | 1305 | 850 | 650 | 1845 | GAK-300 |
300-480-15-45 | 300 | 480 | 15 | 1450 | 45 | 66 | 470 | 1305 | 850 | 650 | 1845 | GAK-300 |
300-800-15-55 | 300 | 800 | 15 | 1450 | 55 | 73 | 470 | 1305 | 850 | 650 | 2060 | GAK-300 |
300-600-20-55 | 300 | 600 | 20 | 1450 | 55 | 73 | 470 | 1305 | 850 | 650 | 2060 | GAK-300 |
300-800-20-75 | 300 | 800 | 20 | 1450 | 75 | 75 | 470 | 1305 | 850 | 650 | 2120 | GAK-300 |
300-950-20-90 | 300 | 950 | 20 | 1450 | 90 | 76 | 470 | 1305 | 850 | 650 | 2120 | GAK-300 |
300-1000-25-110 | 300 | 1000 | 25 | 1450 | 110 | 76 | 500 | 1350 | 875 | 650 | 2220 | GAK-300 |
300-1100-10-55 | 300 | 1100 | 10 | 1450 | 55 | 73 | GAK-300 | |||||
350-1500-15-90 | 350 | 1500 | 15 | 740 | 90 | 87 | 630 | 1533 | 1280 | 700 | 2190 | GAK-350 |
350-1200-18-90 | 350 | 1200 | 18 | 980 | 90 | 85 | 500 | 900 | 500 | 750 | 2190 | GAK-350 |
350-1100-28-132 | 350 | 1100 | 28 | 980 | 132 | 84 | 700 | 1616 | 1363 | 700 | 2480 | GAK-350 |
350-1000-36-160 | 350 | 1000 | 36 | 980 | 160 | 84 | 700 | 1666 | 1413 | 700 | 2590 | GAK-350 |
400-1760-7.5-55 | 400 | 1760 | 7.5 | 980 | 55 | 83 | GAK-400 | |||||
400-1500-10-75 | 400 | 1500 | 10 | 980 | 75 | 86 | 600 | 1650 | 1365 | 780 | 2000 | GAK-400 |
400-2000-13-110 | 400 | 2000 | 13 | 980 | 110 | 84 | 600 | 1650 | 1365 | 780 | 2280 | GAK-400 |
400-2000-15-132 | 400 | 2000 | 15 | 980 | 132 | 83 | GAK-400 | |||||
400-1700-22-160 | 400 | 1700 | 22 | 980 | 160 | 83 | 630 | 1670 | 1380 | 780 | 2600 | GAK-400 |
400-1500-26-160 | 400 | 1500 | 26 | 980 | 160 | 84 | 630 | 1670 | 1380 | 780 | 2600 | GAK-400 |
型号 | 口径 | 流量 | 扬程 | 转速 | 功率 | 效率 | A | B | C | D | H | 自动耦合器 |
mm | (m3/h) | (M) | (r/min) | (kw) | (%) | |||||||
400-1800-32-250 | 400 | 1800 | 32 | 980 | 250 | 82 | 670 | 1730 | 1440 | 780 | 2850 | GAK-400 |
500-2500-10-110 | 500 | 2500 | 10 | 740 | 110 | 85 | 900 | 2218 | 1875 | 900 | 2250 | GAK-500 |
500-2600-15-160 | 500 | 2600 | 15 | 740 | 160 | 84 | 955 | 1968 | 1625 | 900 | 2450 | GAK-500 |
500-2400-22-220 | 500 | 2400 | 22 | 740 | 220 | 85 | 900 | 2218 | 1875 | 900 | 2520 | GAK-500 |
500-2650-24-250 | 500 | 2650 | 24 | 740 | 250 | 85 | 1017 | 2198 | 2395 | 900 | 3000 | GAK-500 |
QW(WQ)型潜水式无堵塞排污泵安装说明:


1.自动耦合装置系统
适用于长期固定的使用场合,具有安装快捷,检测、维修方便等优点。该系统使用特制的底座,固定在污水坑韵底部,与出水管连结好,在池顶安装好配套的支承块,用导杆使二者相连,水泵与特定支架连结好,沿导杆下滑到达底座,与其自动耦合、密封,而提升时则自动脱落。
2.移动式安装系统
它以支架支承,接上出水软管即可工作,这种方式主要应用于救急或维修施工的需要。
■ QW(WQ)型潜水式无堵塞排污泵安装尺寸(移动式):

型号 | A | B | C | D | H |
25QW8-22-1.1 | 110 | 305 | 195 | 190 | 410 |
32QW12-15-1.1 | 110 | 305 | 195 | 190 | 410 |
40QW15-15-1.5 | 120 | 340 | 215 | 240 | 600 |
40QW15-30-2.2 | 120 | 340 | 215 | 240 | 600 |
50QW20-7-0.75 | 125 | 370 | 225 | 240 | 550 |
50QW10-10-0.75 | 125 | 370 | 225 | 240 | 550 |
50QW20-15-1.5 | 120 | 345 | 215 | 240 | 600 |
50QW15-25-2.2 | 120 | 345 | 215 | 240 | 600 |
50QW18-30-3.0 | 125 | 370 | 225 | 240 | 630 |
50QW25-32-5.5 | 155 | 410 | 255 | 310 | 730 |
50QW20-40-7.5 | 155 | 410 | 255 | 240 | 730 |
65QW25-15-2.2 | 125 | 410 | 260 | 240 | 610 |
65QW37-13-3.0 | 125 | 410 | 260 | 240 | 630 |
65QW25-30-4.0 | 125 | 420 | 270 | 240 | 680 |
65QW30-40-7.5 | 155 | 450 | 290 | 310 | 730 |
65QW35-50-11 | 165 | 460 | 290 | 350 | 920 |
65QW35-60-15 | 165 | 460 | 290 | 350 | 920 |
80QW40-7-2.2 | 165 | 490 | 325 | 310 | 700 |
80QW43-13-3.0 | 165 | 445 | 295 | 310 | 740 |
80QW40-15-4.0 | 165 | 445 | 295 | 310 | 800 |
80QW65-25-7.5 | 165 | 490 | 325 | 310 | 770 |
100QW80-10-4.0 | 175 | 620 | 420 | 350 | 800 |
100QW110-10-5.5 | 185 | 650 | 420 | 350 | 800 |
100QW100-15-7.5 | 185 | 650 | 420 | 350 | 800 |
100QW85-20-7.5 | 185 | 650 | 420 | 350 | 800 |
100QW100-25-11 | 210 | 710 | 450 | 420 | 960 |
100QW100-30-15 | 225 | 740 | 485 | 420 | 950 |
100QW100-35-18.5 | 225 | 740 | 485 | 470 | 1000 |
125QW130-15-11 | 225 | 740 | 470 | 420 | 960 |
125QW130-20-15 | 225 | 740 | 470 | 420 | 960 |
150QW145-9-7.5 | 225 | 770 | 480 | 420 | 850 |
150QW180-15-15 | 225 | 780 | 480 | 470 | 960 |
150QW180-20-18.5 | 225 | 780 | 480 | 470 | 1020 |
150QW180-25-22 | 225 | 780 | 480 | 470 | 1020 |
150QW130-30-22 | 250 | 860 | 520 | 470 | 1180 |
150QW180-30-30 | 250 | 860 | 520 | 540 | 1230 |
150QW200-30-37 | 250 | 860 | 520 | 540 | 1300 |
200QW300-7-11 | 275 | 900 | 560 | 540 | 1130 |
200QW250-11-15 | 275 | 900 | 560 | 540 | 1130 |
200QW400-10-22 | 275 | 900 | 560 | 540 | 1200 |
200QW400-13-30 | 275 | 900 | 560 | 540 | 1250 |
200QW250-15-18.5 | 275 | 900 | 560 | 540 | 1200 |
200QW300-15-22 | 275 | 900 | 560 | 540 | 1200 |
200QW250-22-30 | 275 | 900 | 560 | 540 | 1250 |
200QW350-25-37 | 275 | 900 | 560 | 540 | 1350 |
200QW400-30-55 | 290 | 920 | 580 | 540 | 1400 |
250QW600-9-30 | 320 | 1100 | 650 | 540 | 1650 |
250QW600-12-37 | 320 | 1100 | 650 | 540 | 1650 |
250QW600-15-45 | 320 | 1080 | 650 | 540 | 1650 |
250QW600-20-55 | 320 | 1080 | 650 | 540 | 1650 |
250QW600-25-75 | 320 | 1100 | 650 | 540 | 1650 |
250QW800-12-45 | 320 | 1080 | 650 | 540 | 1650 |
300QW500-15-45 | 400 | 1200 | 800 | 600 | 2040 |
300QW800-15-55 | 400 | 1200 | 800 | 600 | 2040 |
300QW600-20-55 | 400 | 1200 | 800 | 600 | 2050 |
300QW800-20-75 | 400 | 1200 | 800 | 600 | 2100 |
300QW950-20-90 | 400 | 1200 | 800 | 600 | 2200 |
300QW1000-25-110 | 400 | 1200 | 800 | 600 | 2200 |
350QW1100-10-55 | 450 | 1350 | 950 | 600 | 1950 |
350QW1500-15-90 | 450 | 1350 | 950 | 600 | 2160 |
350QW1200-18-90 | 450 | 1350 | 950 | 600 | 2160 |
350QW1100-28-132 | 450 | 1350 | 950 | 600 | 2500 |
350QW1000-36-160 | 450 | 1350 | 950 | 600 | 2600 |
400QW1500-10-75 | 510 | 1480 | 1100 | 700 | 2100 |
400QW2000-15-132 | 510 | 1480 | 1100 | 700 | 2500 |
400QW1700-22-160 | 510 | 1480 | 1100 | 700 | 2600 |
400QW1500-26-160 | 510 | 1480 | 1100 | 700 | 2620 |
400QW1700-30-200 | 510 | 1480 | 1100 | 700 | 2550 |
400QW1800-32-250 | 510 | 1480 | 1100 | 700 | 2860 |
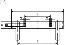
QW(WQ)型潜水式无堵塞排污泵安装尺寸(固定式)



型号 | DN | D | D1 | H | K | G | H1 | H2 | H3 | h | N1-%k | g | p | f | y | N2-%d | J | L | M | m | n | e | EXE |
25WQ7-8-0.55 | 25 | 100 | 75 | 560 | 330 | 100 | 265 | 360 | 100 | 20 | 4-%16 | 260 | 230 | 310 | 210 | 4-%14 | 175 | 470 | 400 | 100 | 50 | 16 | 550X550 |
25WQ8-25-1.1 | 25 | 100 | 75 | 560 | 330 | 100 | 265 | 360 | 100 | 20 | 4-%16 | 260 | 230 | 310 | 210 | 4-%14 | 175 | 470 | 400 | 100 | 50 | 16 | 550X550 |
32WQ8-12-0.75 | 32 | 120 | 90 | 560 | 330 | 100 | 265 | 360 | 100 | 20 | 4-%16 | 260 | 230 | 310 | 210 | 4-%14 | 175 | 470 | 400 | 100 | 50 | 16 | 550X550 |
40WQ12-15-1.5 | 40 | 130 | 100 | 560 | 330 | 100 | 265 | 360 | 100 | 20 | 4-%16 | 260 | 230 | 310 | 210 | 4-%14 | 175 | 470 | 400 | 100 | 50 | 16 | 550X550 |
50WQ20-7-0.75 | 50 | 140 | 110 | 580 | 331 | 105 | 270 | 380 | 100 | 20 | 4-%16 | 260 | 230 | 310 | 210 | 4-%14 | 175 | 470 | 400 | 100 | 50 | 16 | 550X550 |
50WQ10-10-0.75 | 50 | 140 | 110 | 550 | 286 | 105 | 270 | 350 | 100 | 20 | 4-%16 | 260 | 230 | 310 | 210 | 4-%14 | 175 | 470 | 400 | 100 | 50 | 16 | 550X550 |
50WQ20-15-1.5 | 50 | 140 | 110 | 560 | 286 | 105 | 270 | 360 | 100 | 20 | 4-%16 | 260 | 230 | 310 | 210 | 4-%14 | 175 | 470 | 400 | 100 | 50 | 16 | 550X550 |
50WQ15-30-2.2 | 50 | 140 | 110 | 605 | 300 | 105 | 270 | 400 | 100 | 20 | 4-%16 | 260 | 230 | 310 | 210 | 4-%14 | 175 | 470 | 400 | 100 | 50 | 16 | 550X550 |
50WQ17-25-3 | 50 | 140 | 110 | 660 | 350 | 105 | 270 | 450 | 100 | 20 | 4-%16 | 260 | 230 | 310 | 210 | 4-%14 | 175 | 470 | 400 | 100 | 50 | 16 | 550X550 |
50WQ25-32-5.5 | 50 | 140 | 110 | 800 | 370 | 105 | 270 | 480 | 100 | 20 | 4-%16 | 260 | 230 | 310 | 210 | 4-%14 | 175 | 470 | 400 | 100 | 50 | 16 | 600X550 |
65WQ25-15-2.2 | 65 | 160 | 130 | 610 | 323 | 120 | 315 | 410 | 150 | 20 | 4-%18 | 275 | 250 | 310 | 225 | 4-%14 | 180 | 470 | 400 | 100 | 50 | 18 | 550X550 |
65WQ37-13-3 | 65 | 160 | 130 | 665 | 358 | 120 | 315 | 460 | 150 | 20 | 4-%18 | 275 | 250 | 310 | 225 | 4-%14 | 180 | 470 | 400 | 100 | 50 | 18 | 650X600 |
65WQ25-30-4 | 65 | 160 | 130 | 710 | 353 | 120 | 315 | 505 | 150 | 20 | 4-%18 | 275 | 250 | 310 | 225 | 4-%14 | 180 | 470 | 400 | 100 | 50 | 18 | 650X600 |
80WQ40-7-2.2 | 80 | 185 | 150 | 640 | 360 | 140 | 350 | 440 | 150 | 20 | 4-%18 | 290 | 255 | 340 | 260 | 4-%18 | 210 | 470 | 400 | 100 | 50 | 18 | 650X600 |
80WQ80-15-7.5 | 80 | 185 | 150 | 640 | 360 | 140 | 350 | 440 | 150 | 20 | 4-%18 | 290 | 255 | 340 | 260 | 4-%18 | 210 | 470 | 400 | 100 | 50 | 18 | 650X600 |
80WQ100-32-18.5 | 80 | 185 | 150 | 680 | 360 | 140 | 350 | 475 | 150 | 20 | 4-%18 | 290 | 255 | 340 | 260 | 4-%18 | 210 | 470 | 400 | 100 | 50 | 18 | 650X600 |
80WQ40-15-4 | 80 | 185 | 150 | 710 | 365 | 140 | 350 | 500 | 150 | 20 | 4-%18 | 290 | 255 | 340 | 260 | 4-%18 | 210 | 470 | 400 | 100 | 50 | 18 | 650X600 |
80WQ65-25-7.5 | 80 | 185 | 150 | 790 | 385 | 140 | 350 | 545 | 150 | 20 | 4-%18 | 290 | 255 | 340 | 260 | 4-%18 | 210 | 470 | 400 | 100 | 50 | 18 | 700X600 |
100WQ85-10-4 | 100 | 205 | 170 | 770 | 482 | 182 | 410 | 550 | 200 | 25 | 4-%20 | 340 | 305 | 410 | 310 | 4-%18 | 250 | 510 | 440 | 100 | 50 | 20 | 750X650 |
100WQ100-35-18.5 | 100 | 205 | 170 | 850 | 462 | 182 | 410 | 560 | 200 | 25 | 4-%20 | 340 | 305 | 410 | 310 | 4-%18 | 250 | 510 | 440 | 100 | 50 | 20 | 750X650 |
100WQ65-15-5.5 | 100 | 205 | 170 | 850 | 460 | 182 | 410 | 560 | 200 | 25 | 4-%20 | 340 | 305 | 410 | 310 | 4-%18 | 250 | 510 | 440 | 100 | 50 | 20 | 750X650 |
100WQ100-15-7.5 | 100 | 205 | 170 | 855 | 470 | 182 | 410 | 560 | 200 | 25 | 4-%20 | 340 | 305 | 410 | 310 | 4-%18 | 250 | 510 | 440 | 100 | 50 | 20 | 750X650 |
100WQ85-20-7.5 | 100 | 205 | 170 | 855 | 475 | 182 | 410 | 560 | 200 | 25 | 4-%20 | 340 | 305 | 410 | 310 | 4-%18 | 250 | 510 | 440 | 100 | 50 | 20 | 750X650 |
100WQ100-25-11 | 100 | 205 | 170 | 1050 | 520 | 182 | 410 | 690 | 200 | 25 | 4-%20 | 340 | 305 | 410 | 310 | 4-%18 | 250 | 510 | 440 | 100 | 50 | 20 | 900X750 |
150WQ145-9-7.5 | 150 | 260 | 225 | 860 | 480 | 275 | 590 | 570 | 250 | 25 | 4-%20 | 400 | 360 | 410 | 300 | 4-%18 | 265 | 600 | 525 | 100 | 50 | 20 | 750X650 |
150WQ200-10-15 | 150 | 260 | 225 | 990 | 585 | 275 | 590 | 630 | 250 | 25 | 4-%20 | 400 | 360 | 410 | 300 | 4-%18 | 265 | 600 | 525 | 100 | 50 | 20 | 1000X800 |
150WQ180-15-15 | 150 | 260 | 225 | 990 | 585 | 275 | 590 | 630 | 250 | 25 | 4-%20 | 400 | 360 | 410 | 300 | 4-%18 | 265 | 600 | 525 | 100 | 50 | 20 | 1000X800 |
150WQ180-20-18.5 | 150 | 260 | 225 | 1050 | 550 | 275 | 590 | 690 | 250 | 25 | 4-%20 | 400 | 360 | 410 | 300 | 4-%18 | 265 | 600 | 525 | 100 | 50 | 20 | 1000X800 |
150WQ150-26-18.5 | 150 | 260 | 225 | 1050 | 560 | 275 | 590 | 690 | 250 | 25 | 4-%20 | 400 | 360 | 410 | 300 | 4-%18 | 265 | 600 | 525 | 100 | 50 | 20 | 1000X800 |
150WQ180-35-22 | 150 | 260 | 225 | 1050 | 560 | 275 | 590 | 700 | 250 | 25 | 4-%20 | 400 | 360 | 410 | 300 | 4-%18 | 265 | 600 | 525 | 100 | 50 | 20 | 1000X800 |
150WQ200-30-37 | 150 | 260 | 225 | 1350 | 740 | 275 | 590 | 850 | 250 | 25 | 4-%20 | 400 | 360 | 410 | 300 | 4-%18 | 265 | 600 | 525 | 100 | 50 | 20 | 1300X900 |
150WQ150-35-37 | 150 | 260 | 225 | 1350 | 740 | 275 | 590 | 850 | 250 | 25 | 4-%20 | 400 | 360 | 410 | 300 | 4-%18 | 265 | 600 | 525 | 100 | 50 | 20 | 1300X900 |
200WQ300-7-11 | 200 | 315 | 280 | 1050 | 540 | 310 | 570 | 420 | 250 | 30 | 4-%20 | 480 | 440 | 500 | 400 | 4-%18 | 325 | 600 | 525 | 100 | 50 | 20 | 1000X800 |
200WQ250-11-15 | 200 | 315 | 280 | 1050 | 530 | 310 | 570 | 420 | 250 | 30 | 4-%20 | 480 | 440 | 500 | 400 | 4-%18 | 325 | 600 | 525 | 100 | 50 | 20 | 1000X800 |
200WQ250-15-18.5 | 200 | 315 | 280 | 1050 | 550 | 310 | 570 | 420 | 250 | 30 | 4-%20 | 480 | 440 | 500 | 400 | 4-%18 | 325 | 600 | 525 | 100 | 50 | 20 | 1000X800 |
200WQ400-10-22 | 200 | 315 | 280 | 1060 | 730 | 310 | 570 | 430 | 250 | 30 | 4-%20 | 480 | 440 | 500 | 400 | 4-%18 | 325 | 600 | 525 | 100 | 50 | 20 | 1300X900 |
200WQ300-15-22 | 200 | 315 | 280 | 1060 | 730 | 310 | 570 | 430 | 250 | 30 | 4-%20 | 480 | 440 | 500 | 400 | 4-%18 | 325 | 600 | 525 | 100 | 50 | 20 | 1300X900 |
200WQ400-13-30 | 200 | 315 | 280 | 1120 | 735 | 310 | 570 | 430 | 250 | 30 | 4-%20 | 480 | 440 | 500 | 400 | 4-%18 | 325 | 600 | 525 | 100 | 50 | 20 | 1300X900 |
200WQ250-22-30 | 200 | 315 | 280 | 1120 | 735 | 310 | 570 | 420 | 250 | 30 | 4-%20 | 480 | 440 | 500 | 400 | 4-%18 | 325 | 600 | 525 | 100 | 50 | 20 | 1300X900 |
200WQ300-25-37 | 200 | 315 | 280 | 1160 | 700 | 310 | 570 | 450 | 250 | 30 | 4-%20 | 480 | 440 | 500 | 400 | 4-%18 | 325 | 600 | 525 | 100 | 50 | 20 | 1300X900 |
200WQ250-35-45 | 200 | 315 | 280 | 1450 | 780 | 310 | 570 | 480 | 250 | 30 | 4-%20 | 480 | 440 | 500 | 400 | 4-%18 | 325 | 600 | 525 | 100 | 50 | 20 | 1350X900 |
200WQ400-30-55 | 200 | 315 | 280 | 1550 | 780 | 310 | 570 | 430 | 250 | 30 | 4-%20 | 480 | 440 | 500 | 400 | 4-%18 | 325 | 600 | 525 | 100 | 50 | 20 | 1400X1100 |
250WQ600-9-30 | 250 | 370 | 335 | 1650 | 800 | 440 | 710 | 510 | 350 | 35 | 4-%24 | 550 | 500 | 610 | 470 | 4-%18 | 436 | 700 | 615 | 150 | 90 | 24 | 1600X1300 |
250WQ600-12-37 | 250 | 370 | 335 | 1650 | 800 | 440 | 710 | 510 | 350 | 35 | 4-%24 | 550 | 500 | 610 | 470 | 4-%18 | 435 | 700 | 615 | 150 | 90 | 24 | 1600X1300 |
250WQ600-15-45 | 250 | 370 | 335 | 1650 | 800 | 440 | 710 | 510 | 350 | 35 | 4-%24 | 550 | 500 | 610 | 470 | 4-%18 | 435 | 700 | 615 | 150 | 90 | 24 | 1600X1300 |
250WQ600-20-55 | 250 | 370 | 335 | 1680 | 800 | 440 | 710 | 510 | 350 | 35 | 4-%24 | 550 | 500 | 610 | 470 | 4-%18 | 435 | 700 | 615 | 150 | 90 | 24 | 1600X1300 |
250WQ600-25-75 | 250 | 370 | 335 | 1750 | 840 | 440 | 710 | 510 | 350 | 35 | 4-%24 | 550 | 500 | 610 | 470 | 4-%18 | 435 | 700 | 615 | 150 | 90 | 24 | 1600X1300 |
300WQ800-12-45 | 300 | 435 | 395 | 1770 | 840 | 480 | 765 | 540 | 400 | 35 | 4-%28 | 680 | 600 | 745 | 615 | 4-%23 | 552 | 700 | 615 | 150 | 90 | 28 | 1800X1500 |
300WQ480-15-45 | 300 | 435 | 395 | 1700 | 840 | 480 | 765 | 540 | 400 | 35 | 4-%28 | 680 | 600 | 745 | 615 | 4-%23 | 552 | 700 | 615 | 150 | 90 | 28 | 1800X1500 |
300WQ400-20-45 | 300 | 435 | 395 | 1700 | 840 | 480 | 765 | 540 | 400 | 35 | 4-%28 | 680 | 600 | 745 | 615 | 4-%23 | 552 | 700 | 615 | 150 | 90 | 28 | 1800X1500 |
300WQ600-20-55 | 300 | 435 | 395 | 1770 | 840 | 480 | 765 | 540 | 400 | 35 | 4-%28 | 680 | 600 | 745 | 615 | 4-%23 | 552 | 700 | 615 | 150 | 90 | 28 | 1800X1500 |
300WQ800-20-75 | 300 | 435 | 395 | 1770 | 840 | 480 | 765 | 540 | 400 | 35 | 4-%28 | 680 | 600 | 745 | 615 | 4-%23 | 552 | 700 | 615 | 150 | 90 | 28 | 1800X1500 |
300WQ950-20-90 | 300 | 435 | 395 | 1770 | 840 | 480 | 765 | 540 | 400 | 35 | 4-%28 | 680 | 600 | 745 | 615 | 4-%23 | 552 | 700 | 615 | 150 | 90 | 28 | 1800X1500 |
300WQ950-24-110 | 300 | 435 | 395 | 2100 | 840 | 480 | 765 | 540 | 400 | 35 | 4-%28 | 680 | 600 | 745 | 615 | 4-%23 | 552 | 700 | 615 | 150 | 90 | 28 | 1800X1500 |
350WQ1100-10-45 | 350 | 490 | 445 | 2151 | 727 | 383 | 765 | 580 | 400 | 45 | 4-%40 | 880 | 780 | 870 | 770 | 12-%22 | 633 | 888 | 800 | 150 | 90 | 27 | 1350X1000 |
350WQ1180-13-75 | 350 | 490 | 445 | 2271 | 897 | 383 | 765 | 592 | 500 | 45 | 4-%40 | 880 | 780 | 870 | 770 | 12-%22 | 633 | 888 | 800 | 150 | 90 | 27 | 1450X1200 |
350WQ1200-15-90 | 350 | 490 | 445 | 2140 | 897 | 383 | 765 | 680 | 500 | 45 | 4-%40 | 880 | 780 | 870 | 770 | 12-%22 | 633 | 888 | 800 | 150 | 90 | 27 | 1450X1200 |
350WQ1130-18-90 | 350 | 490 | 445 | 2150 | 897 | 383 | 765 | 700 | 500 | 45 | 4-%40 | 880 | 780 | 870 | 770 | 12-%22 | 633 | 888 | 800 | 150 | 90 | 27 | 1450X1200 |
350WQ1250-19.5-110 | 350 | 490 | 445 | 2250 | 950 | 383 | 765 | 750 | 500 | 45 | 4-%40 | 880 | 780 | 870 | 770 | 12-%22 | 633 | 888 | 800 | 150 | 90 | 27 | 1450X1200 |
350WQ1500-20.6-132 | 350 | 490 | 445 | 2280 | 980 | 383 | 765 | 750 | 500 | 45 | 4-%40 | 880 | 780 | 870 | 770 | 12-%22 | 633 | 888 | 800 | 150 | 90 | 27 | 1450X1200 |
350WQ1500-26-160 | 350 | 490 | 445 | 2300 | 1030 | 383 | 765 | 750 | 500 | 45 | 4-%40 | 880 | 780 | 870 | 770 | 12-%22 | 633 | 888 | 800 | 150 | 90 | 27 | 1450X1200 |
400WQ1800-9.5-75 | 400 | 565 | 515 | 2464 | 975 | 390 | 800 | 650 | 500 | 50 | 6-%40 | 880 | 780 | 950 | 850 | 16-%26 | 630 | 630 | 542 | 150 | 90 | 27 | 1500X1400 |
400WQ1690-12-90 | 400 | 565 | 515 | 2464 | 975 | 390 | 800 | 650 | 500 | 50 | 6-%40 | 880 | 780 | 950 | 850 | 16-%26 | 630 | 630 | 542 | 150 | 90 | 27 | 1500X1400 |
400WQ2000-13.5-110 | 400 | 565 | 515 | 2464 | 975 | 390 | 800 | 650 | 500 | 50 | 6-%40 | 880 | 780 | 950 | 850 | 16-%26 | 630 | 630 | 542 | 150 | 90 | 27 | 1500X1400 |
400WQ1700-22-160 | 400 | 565 | 515 | 2520 | 990 | 390 | 800 | 680 | 500 | 50 | 6-%40 | 880 | 780 | 950 | 850 | 16-%26 | 630 | 630 | 542 | 150 | 90 | 27 | 1550X1450 |
400WQ2000-18.4-160 | 400 | 565 | 515 | 2520 | 990 | 390 | 800 | 680 | 500 | 50 | 6-%40 | 880 | 780 | 950 | 850 | 16-%26 | 630 | 630 | 542 | 150 | 90 | 27 | 1550X1450 |
400WQ1950-23-185 | 400 | 565 | 515 | 2580 | 1020 | 390 | 800 | 700 | 500 | 50 | 6-%40 | 880 | 780 | 950 | 850 | 16-%26 | 630 | 630 | 542 | 150 | 90 | 27 | 1600X1500 |
400WQ1980-26-220 | 400 | 565 | 515 | 2580 | 1020 | 390 | 800 | 700 | 500 | 50 | 6-%40 | 880 | 780 | 950 | 850 | 16-%26 | 630 | 630 | 542 | 150 | 90 | 27 | 1600X1500 |
400WQ1800-32-250 | 400 | 565 | 515 | 2590 | 1050 | 390 | 800 | 720 | 500 | 50 | 6-%40 | 880 | 780 | 950 | 850 | 16-%26 | 630 | 630 | 542 | 150 | 90 | 27 | 1600X1550 |
450WQ2300-9.5-90 | 450 | 615 | 565 | 2404 | 900 | 700 | 1350 | 1033 | 600 | 40 | 4-%40 | 930 | 810 | 1265 | 1145 | 20-%26 | 952 | 902 | 833 | 100 | 84 | 26 | 1550X1350 |
450WQ2250-11-110 | 450 | 615 | 565 | 2450 | 950 | 750 | 1350 | 1033 | 600 | 40 | 4-%40 | 930 | 810 | 1265 | 1145 | 20-%26 | 962 | 902 | 833 | 100 | 84 | 26 | 1550X1350 |
450WQ2260-14-132 | 450 | 615 | 565 | 2480 | 1000 | 800 | 1350 | 1050 | 600 | 40 | 4-%40 | 930 | 810 | 1265 | 1145 | 20-%26 | 980 | 902 | 833 | 100 | 84 | 26 | 1550X1350 |
450WQ2280-20-185 | 450 | 615 | 565 | 2500 | 1050 | 850 | 1350 | 1050 | 650 | 40 | 4-%40 | 930 | 810 | 1265 | 1145 | 20-%26 | 980 | 902 | 833 | 100 | 84 | 26 | 1600X1380 |
450WQ2300-25-250 | 450 | 615 | 565 | 2500 | 1080 | 850 | 1350 | 1100 | 650 | 40 | 4-%40 | 930 | 810 | 1265 | 1145 | 20-%26 | 980 | 902 | 833 | 100 | 84 | 26 | 1650X1380 |
450WQ2300-29-280 | 450 | 615 | 565 | 2520 | 1150 | 900 | 1350 | 1100 | 700 | 40 | 4-%40 | 930 | 810 | 1265 | 1145 | 20-%26 | 1020 | 902 | 833 | 100 | 84 | 26 | 1650X1400 |
450WQ2100-36-315 | 450 | 615 | 565 | 2550 | 1250 | 950 | 1350 | 1250 | 700 | 40 | 4-%40 | 930 | 810 | 1265 | 1145 | 20-%26 | 1020 | 902 | 833 | 100 | 84 | 26 | 1680X1450 |
500WQ2490-10-110 | 500 | 670 | 620 | 3010 | 1280 | 595 | 1350 | 950 | 600 | 50 | 6-%48 | 950 | 830 | 1260 | 1140 | 20-%26 | 895 | 798 | 710 | 150 | 90 | 27 | 2100X1750 |
500WQ2500-16-160 | 500 | 670 | 620 | 2775 | 1030 | 595 | 1350 | 1005 | 600 | 50 | 6-%48 | 950 | 830 | 1260 | 1140 | 20-%26 | 895 | 798 | 710 | 150 | 90 | 27 | 1950X1600 |
500WQ2490-18.5-185 | 500 | 670 | 620 | 2850 | 1050 | 595 | 1350 | 1050 | 600 | 50 | 6-%48 | 950 | 830 | 1260 | 1140 | 20-%26 | 895 | 798 | 710 | 150 | 90 | 27 | 2000X1800 |
500WQ2500-12-132 | 500 | 670 | 620 | 1950 | 1100 | 595 | 1350 | 1080 | 600 | 50 | 6-%48 | 950 | 830 | 1260 | 1140 | 20-%26 | 895 | 798 | 710 | 150 | 90 | 27 | 2050X1700 |
500WQ2400-22-220 | 500 | 670 | 620 | 3010 | 1280 | 595 | 1350 | 950 | 600 | 50 | 6-%48 | 950 | 830 | 1260 | 1140 | 20-%26 | 895 | 798 | 710 | 150 | 90 | 27 | 2100X1750 |
500WQ2650-24-250 | 500 | 670 | 620 | 2880 | 1260 | 595 | 1350 | 1120 | 600 | 50 | 6-%48 | 950 | 830 | 1260 | 1140 | 20-%26 | 895 | 798 | 710 | 150 | 90 | 27 | 2100X1750 |
500WQ2400-28-280 | 500 | 670 | 620 | 3010 | 1800 | 595 | 1350 | 1200 | 600 | 50 | 6-%48 | 950 | 830 | 1260 | 1140 | 20-%26 | 895 | 798 | 710 | 150 | 90 | 27 | 2200X1800 |