IHWB型卧式不锈钢防爆离心泵,是好泵浦泵阀在ISW型卧式离心泵基础上衍生出的采用不锈钢材质并配备防爆电机的型号,可应用于化工,煤矿等防爆、有腐蚀性的环境。该泵可根据各种不同应用场合,定做201、304、316、316L及2205双相不锈钢等材质,该系列泵性能优、可靠性高、寿命长、结构合理、外形美观,具有行业领先水平。IHWB型卧式不锈钢防爆管道离心泵工作条件1、吸入压力≤1.6MPa,或泵系统高
| 品牌 | 好泵浦 |
| 适用液体 | 弱酸性比重不超过水的流体 |
| 口径 | DN25-DN500 |
| 扬程 | 6-150m |
| 功率KW | 0.75KW-250KW |
| 流量M3/H | 4-1450m³/h |
| 整机重量KG | 50-3500KG |
| ● 转速 | 2900-1450 |
| ● 口径 | DN25-DN500 |
| ● 温度 | 0-120度 |
| ● 自吸高度 | 0 |
IHWB型不锈钢防爆耐腐蚀离心泵是好泵浦泵阀在ISW型卧式离心泵基础上衍生出的采用不锈钢材质并配备防爆电机的型号,可应用于化工,煤矿等防爆、有腐蚀性的环境。该泵可根据各种不同应用场合,定做201、304、316、316L及2205双相不锈钢等材质,该系列泵性能优、可靠性高、寿命长、结构合理、外形美观,具有行业领先水平。
IHWB型不锈钢防爆耐腐蚀离心泵工作条件
1、吸入压力≤1.6MPa,或泵系统高工作压力 ≤1.6MPa,即泵吸入口压力+泵扬程≤1.6MPa、泵静压试验压力为2.5MPa,订货时请注明系统工作压力。泵系统工作压力大于1.6MPa时应 在订货时另行提出,以便在制造时泵联接部分采用铸钢材料。
2、环境温度<40℃,相对湿度<95%。
3、所输送介质中固体颗粒体积含量不超过单位体积的0.1%,粒度<0.2mm。
注:如使用介质为带有细小颗粒,请在订货时注明,以便厂家采用耐磨式机械密封。
IHWB型不锈钢防爆耐腐蚀离心泵产品特点
运行平稳:泵轴的绝对同心度及叶轮优异的动静平衡,保证平稳运行,绝无振动。
滴水不漏:不同材质的硬质合金密封,保证了不同介质输送均无泄漏。
噪音低:两个低噪音轴承支撑下的水泵,运转平稳,除电机微弱声响,基本无噪音。
故障率低:结构简单合理,关键部分采用国际一流品质;配套,整机无故障工作时间大大提高。
维修方便:更换密封、轴承,简易方便。
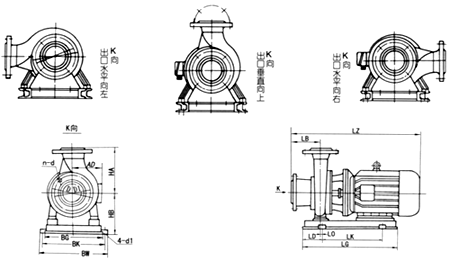
占地更省:出口可向左、向右、向上三个方向,便于管道布置安装,节省空间。
IHWB型卧式不锈钢防爆管道泵采用先进的水力模型,根据IS型离心泵之性能参数和立式泵的独特结构组合设计,并严格按照国际iso2858进行设计制造,该产品轴封选用硬质合金机械密封装置,具有高效节能、性能可靠、安装使用方便等特点。
IHWB型不锈钢防爆耐腐蚀离心泵主要用途
IHWB型不锈钢防爆耐腐蚀离心泵广泛适用于能源、冶金、化工、纺织、造纸、以及煤矿等领域,卧式不锈钢防爆管道泵使用温度T:≤120℃,如需使用更高温度,可联系我们客服定制。

IHWB型不锈钢防爆耐腐蚀离心泵起动前的准备
1、试验电机转向是否正确,从电机顶部往泵看为顺时针旋转,试验时间要短,以免使机械密封干磨损。
2、打开排气阀使液体充满整个泵体,待满后关闭排气阀。
3、检查各部位是否正常。
4、用手盘动泵以使润滑液进入机械密封端面。
5、高温型应先进行预热,升温速度50℃/小时,以保证各部受热均匀。
IHWB型不锈钢防爆耐腐蚀离心泵起动
1、全开进口阀门。
2、关闭吐出管路阀门。
3、起动电机,观察泵运行是否正确。
4、调节出口阀门开度以所需工况,如用户在泵出口处装有流量表或压力表,应通过调节出口阀门开度使泵在性能参数表所列的额定点上运转,如用户在泵出口处装有流量表或压力表,应通过调节出口阀门开度,测量泵的电机电流,使电机在额定电流内运行,否则将造成泵超负荷运行(即大电流运行)至使电机烧坏。调正好的出口阀门开启大与小和管道工况有关。
5、检查轴封泄漏情况,正常时机械密封泄漏应小于3滴/分。
6、检查电机、轴承处温升≤80℃。
IHWB型不锈钢防爆耐腐蚀离心泵停车
1、高温型先降温,降温速度<10℃/分,把温度降低到80℃以下,才能停车。
2、关闭吐出管路阀门。
3、停止电机。
4、关闭进口阀门。
5、如长期停车,应将泵内液体放尽。
IHWB型不锈钢防爆耐腐蚀离心泵安装方式

IHWB型不锈钢防爆耐腐蚀离心泵特别说明
7.5kw以下水泵可配隔震垫直接安装在基础上。
7.5kw以上时,可与浇铸基础直接安装,亦可采用我单位IS联接板配合隔震器安装、隔震器的安装方法同ISG泵配套的隔震器的尺寸,与ISG系列中相同规格水泵的隔震器尺寸相同。
IHWB型不锈钢防爆耐腐蚀离心泵安装说明
1、安装前应检查机组紧固件有无松动现象,泵体流道有无异物堵塞,以免水泵运行时损坏叶轮和泵体。
2、安装时管道重量不应加在水泵上,以免使泵变形。
3、安装时必须拧紧地脚螺栓,以免起动时振动对泵性能的影响。
4、为了维修方便和使用安全,在泵的进出口管路上各安装一只调节阀及在泵出口附近安装一只压力表,以保证在额定扬程和流量范围内运行,确保泵正常运行,增长水泵的使用寿命。
5、安装后拨动泵轴,叶轮应无磨擦声或卡死现象,否则应将泵拆开检查原因。
6、IHWB型不锈钢防爆耐腐蚀离心泵分硬性联接安装和柔性联接安装两种(见联接方式)。
| 型号 | 流量 (m³/h) | 流量 (L/s) | 扬程 (m) | 效率 (%) | 转速 (r/min) | 功率 (KW) |
| 25-110 | 2.8 4.0 5.2 | 0.78 1.11 1.44 | 16.0 15.0 13.5 | 34 42 41 | 2900 | 0.55 |
| 25-125 | 2.8 4.0 5.2 | 0.78 1.11 1.44 | 20.6 20.0 18.0 | 28 36 35 | 2900 | 0.75 |
| 25-125A | 2.5 3.6 4.6 | 0.69 1.00 1.28 | 17.0 16.0 14.4 | 29 35 31 | 2900 | 0.75 |
| 25-160 | 2.8 4.0 5.2 | 0.78 1.11 1.44 | 33 32 30 | 24 32 33 | 2900 | 1.5 |
| 25-160A | 2.6 3.7 4.9 | 0.12 1.03 1.36 | 29 28 26 | 27 31 29 | 2900 | 1.1 |
| 32-100 | 3.5 4.5 5.3 | 0.97 1.24 1.47 | 14.5 12.5 11 | 35 40 38 | 2900 | 0.55 |
| 30-125 | 3.5 5.0 6.5 | 0.97 1.39 1.80 | 22 20 18 | 40 44 42 | 2900 | 0.75 |
| 32-125A | 3.1 4.5 5.8 | 0.86 1.25 1.61 | 17.6 16.0 14.4 | 39 43 40 | 2900 | 0.55 |
| 32-160 | 4.4 6.3 8.3 | 1.22 1.75 2.32 | 33 32 30 | 40 44 42 | 2900 | 1.5 |
| 32-160A | 2.8 4.0 5.2 | 0.78 1.11 1.44 | 27 25 21 | 31 34 32 | 2900 | 1.1 |
| 32-200 | 3.1 4.5 5.8 | 0.86 1.25 1.61 | 50.5 50.0 48.0 | 28 32 30 | 2900 | 3 |
| 32-200A | 2.8 4.0 5.2 | 0.78 1.11 1.44 | 44.6 44 42.7 | 34 40 42 | 2900 | 2.2 |
| 32-160(I) | 4.4 6.3 8.3 | 1.22 1.75 2.32 | 33.2 32 30.2 | 34 40 42 | 2900 | 2.2 |
| 32-200(I) | 4.4 6.3 8.3 | 1.22 1.75 2.32 | 50.5 50.0 48.0 | 26 33 35 | 2900 | 4 |
| 40-100 | 4.4 6.3 8.3 | 1.22 1.75 2.31 | 13.2 12.5 11.3 | 48 54 53 | 2900 | 0.55 |
| 40-100A | 3.9 5.6 7.4 | 1.08 1.56 2.06 | 10.6 10.0 9.0 | 48 52 50 | 2900 | 0.37 |
| 40-125 | 4.4 6.3 8.3 | 1.22 1.75 2.31 | 21 20 18 | 41 46 43 | 2900 | 1.1 |
| 40-125A | 3.9 5.6 7.4 | 1.08 1.56 2.06 | 17.6 16 14.4 | 40 45 41 | 2900 | 0.75 |
| 40-160 | 4.4 6.3 8.3 | 1.22 1.75 2.31 | 33 32 30 | 35 40 40 | 2900 | 2.2 |
| 40-160A | 4.1 5.9 7.8 | 1.14 1.64 2.17 | 29 28 26.3 | 34 39 39 | 2900 | 1.5 |
| 40-160B | 3.8 5.5 7.2 | 1.06 1.53 2.0 | 25.5 24 22.5 | 34 38 37 | 2900 | 1.1 |
| 40-200 | 4.4 6.3 8.3 | 1.22 1.75 2.31 | 51 50 48 | 26 33 32 | 2900 | 4 |
| 40-200A | 4.1 5.9 7.8 | 1.14 1.64 2.17 | 45 44 42 | 26 31 32 | 2900 | 3 |
| 40-200B | 3.7 5.3 7.0 | 1.03 1.47 1.94 | 38 36 34.5 | 25 29 27 | 2900 | 2.2 |
| 40-250 | 4.4 6.3 8.3 | 1.22 1.75 2.31 | 82 80 74 | 24 28 28 | 2900 | 7.5 |
| 40-250A | 4.1 5.9 7.8 | 1.14 1.64 2.17 | 72 70 65 | 24 28 27 | 2900 | 5.5 |
| 40-250B | 3.8 5.5 7.0 | 1.06 1.53 1.94 | 61.5 60 56 | 23 27 26 | 2900 | 4 |
| 40-100(I) | 8.8 12.5 16.3 | 2.44 3.47 4.53 | 13.2 12.5 11.3 | 55 62 60 | 2900 | 1.1 |
| 40-100(I)A | 8.0 11.0 14.5 | 2.22 3.05 4.03 | 10.6 10.0 9.0 | 57 60 59 | 2900 | 0.75 |
| 40-125(I) | 8.8 12.5 16.3 | 2.44 3.47 4.53 | 21.2 20.0 17.8 | 49 58 57 | 2900 | 1.5 |
| 40-125(I)A | 8.0 11.0 14.5 | 2.22 3.05 4.03 | 17.0 16.0 14.0 | 53 57 55 | 2900 | 1.1 |
| 40-160(I) | 8.8 12.5 16.3 | 2.44 3.47 4.53 | 33 32 30 | 45 52 51 | 2900 | 3 |
| 40-160(I)A | 8.2 11.7 15.2 | 2.28 3.25 4.22 | 29 28 26 | 44 51 50 | 2900 | 2.2 |
| 40-160(I)B | 7.3 10.4 13.5 | 2.38 2.89 3.75 | 23 22 20.5 | 50 | 2900 | 1.5 |
| 40-200(I) | 8.8 12.5 16.3 | 2.44 3.47 4.53 | 51.2 50 48 | 38 46 46 | 2900 | 5.5 |
| 40-200(I)A | 8.3 11.7 15.3 | 2.31 3.25 4.25 | 45.0 44 42 | 37 45 45 | 2900 | 4 |
| 40-200(I)B | 7.5 10.6 13.8 | 2.08 2.94 3.83 | 37 36 34 | 44 | 2900 | 3 |
| 40-250(I) | 8.8 12.5 16.3 | 2.44 3.47 4.53 | 81.2 80 77.5 | 31 38 40 | 2900 | 11 |
| 40-250(I)A | 8.2 11.6 15.2 | 2.28 3.22 4.22 | 71.0 70 68 | 38 | 2900 | 7.5 |
| 40-250(I)B | 7.6 10.8 14 | 2.11 3.0 3.89 | 61.4 60 58 | 37 | 2900 | 5.5 |
| 40-250(I)C | 7.1 10.0 13.1 | 1.97 2.78 3.64 | 53.2 52 50.4 | 36 | 2900 | 5.5 |
| 50-100 | 8.8 12.5 16.3 | 2.44 3.47 4.53 | 13.6 12.5 11.3 | 55 62 60 | 2900 | 1.1 |
| 50-100A | 8 11 14.5 | 2.22 3.05 4.03 | 11 10 9 | 60 | 2900 | 0.75 |
| 50-125 | 8.8 12.5 16.3 | 2.44 3.74 4.53 | 21.5 20 17.8 | 49 58 57 | 2900 | 1.5 |
| 50-125A | 8 11 14.5 | 2.22 3.05 4.03 | 17 16 14 | 57 | 2900 | 1.1 |
| 50-160 | 8.8 12.5 16.3 | 2.44 3.47 4.53 | 33 32 30 | 45 52 51 | 2900 | 3 |
| 50-160A | 8.2 11.7 15.2 | 2.28 3.25 4.22 | 29 28 26 | 44 51 50 | 2900 | 2.2 |
| 50-160B | 7.3 10.4 13.5 | 2.38 2.89 3.75 | 23 22 20.5 | 50 | 2900 | 1.5 |
| 50-200 | 8.8 12.5 16.3 | 2.44 3.47 4.53 | 52 50 48 | 38 46 46 | 2900 | 5.5 |
| 50-200A | 8.3 11.7 15.3 | 2.31 3.25 4.25 | 45.8 44 42 | 37 45 45 | 2900 | 4 |
| 50-200B | 7.5 10.6 13.8 | 2.08 2.94 3.83 | 37 36 34 | 44 | 2900 | 3 |
| 50-250 | 8.8 12.5 16.3 | 2.44 3.47 4.53 | 82 80 77.5 | 29 38 40 | 2900 | 11 |
| 50-250A | 8.2 11.6 15.2 | 2.28 3.22 4.22 | 71.5 70 68 | 38 | 2900 | 75 |
| 50-250B | 7.6 10.8 14 | 2.11 3.0 3.89 | 61.4 60 58 | 37 | 2900 | 5.5 |
| 50-250C | 7.1 10.0 13.1 | 1.97 2.78 3.64 | 53.2 52 504 | 36 | 2900 | 5.5 |
| 50-100(I) | 17.5 25 32.5 | 4.86 6.94 9.03 | 13.7 12.5 10.5 | 67 69 69 | 2900 | 1.5 |
| 50-100(I)A | 15.6 22.3 29 | 4.3 6.19 8.1 | 11 10 8.4 | 65 67 68 | 2900 | 1.1 |
| 50-125(I) | 17.5 25 32.5 | 4.86 6.94 9.03 | 21.5 20 18 | 60 68 67 | 2900 | 3 |
| 50-125(I)A | 15.6 22.3 29 | 4.33 6.19 8.1 | 17 16 13.6 | 58 66 65 | 2900 | 2.2 |
| 50-160(I) | 17.5 25 32.5 | 4.68 6.94 9.03 | 34.4 32 27.5 | 54 63 60 | 2900 | 4 |
| 50-160(I)A | 16.4 23.4 30.4 | 4.56 6.5 8.44 | 30 28 24 | 54 62 59 | 2900 | 4 |
| 50-160(I)B | 15.0 21.6 28 | 4.17 6.0 7.78 | 26 24 20.6 | 28 | 2900 | 3 |
| 50-200(I) | 17.5 25 32.5 | 4.86 6.94 9.03 | 52.7 50 45.5 | 49 58 59 | 2900 | 7.5 |
| 50-200(I)A | 16.4 23.5 30.5 | 4.56 6.53 8.47 | 46.4 44 40 | 48 57 58 | 2900 | 7.5 |
| 50-200(I)B | 15.2 21.8 28.3 | 4.22 6.06 7.86 | 40 38 34.5 | 55 | 2900 | 5.5 |
| 50-250(I) | 17.5 25 32.5 | 4.86 6.94 9.03 | 82 80 76.5 | 39 50 52 | 2900 | 15 |
| 50-250(I)A | 16.4 23.4 30.5 | 4.56 6.5 8.47 | 71.5 70 67 | 39 50 52 | 2900 | 11 |
| 50-250(I)B | 15 21.6 28 | 4.17 6.0 7.78 | 61 60 57.4 | 38 49 54 | 2900 | 7.5 |
| 50-315(I) | 17.5 25 32.5 | 4.86 6.94 9.03 | 128 125 122 | 30 40 44 | 2900 | 30 |
| 50-315(I)A | 16.6 23.7 31 | 4.61 6.58 8.6 | 115 113 110 | 30 40 44 | 2900 | 22 |
| 50-315(I)B | 15.7 22.5 29.2 | 4.36 6.25 8.0 | 103 101 98 | 39 | 2900 | 18.5 |
| 50-315(I)C | 14.4 20.6 26.8 | 4.0 5.72 7.44 | 86 85 83 | 38 | 2900 | 15 |
| 65-100 | 17.5 25 32.5 | 4.86 6.94 9.03 | 13.7 12.5 10.5 | 67 69 69 | 2900 | 1.5 |
| 65-100A | 15.6 22.3 29 | 4.3 6.19 8.1 | 11 10 8.4 | 65 67 68 | 2900 | 1.1 |
| 65-125 | 17.5 25 32.5 | 4.86 6.94 9.03 | 21.5 20 18 | 60 68 67 | 2900 | 3 |
| 65-125A | 15.6 22.3 29 | 4.33 6.19 8.1 | 17 16 14.4 | 58 66 65 | 2900 | 2.2 |
| 65-160 | 17.5 25 32.5 | 4.86 6.94 9.03 | 34.4 32 27.5 | 54 63 60 | 2900 | 4 |
| 65-160A | 16.4 23.4 30.4 | 4.56 6.5 8.44 | 30 28 24 | 54 62 59 | 2900 | 4 |
| 65-160B | 15.0 21.6 28 | 4.17 6.0 7.78 | 26 24 20.6 | 58 | 2900 | 3 |
| 65-200 | 17.5 25 32.5 | 4.86 6.94 9.03 | 52.7 50 45.5 | 49 58 59 | 2900 | 7.5 |
| 65-200A | 16.4 23.5 30.5 | 4.56 6.53 8.47 | 46.4 44 40 | 48 57 58 | 2900 | 7.5 |
| 65-200B | 15.2 21.8 28.3 | 4.22 6.06 7.86 | 40 38 34.5 | 55 | 2900 | 5.5 |
| 65-250 | 17.5 25 32.5 | 4.86 6.94 9.03 | 82 80 76.5 | 39 50 52 | 2900 | 15 |
| 65-250A | 16.4 23.4 30.5 | 4.56 6.5 8.47 | 71.5 70 67 | 39 50 52 | 2900 | 11 |
| 65-250B | 15 21.6 28 | 4.17 6.0 7.78 | 61 60 57.4 | 38 49 54 | 2900 | 7.5 |
| 65-315 | 17.5 25 32.5 | 4.86 6.94 9.03 | 127 125 122 | 32 40 44 | 2900 | 30 |
| 65-315A | 16.6 23.7 31 | 4.61 6.58 8.6 | 115 113 110 | 32 40 44 | 2900 | 22 |
| 65-315B | 15.7 22.5 29.2 | 4.36 6.25 8.0 | 103 101 98 | 39 | 2900 | 18.5 |
| 65-315C | 14.4 20.6 26.8 | 4.0 5.72 7.44 | 86 85 83 | 38 | 2900 | 15 |
| 65-100(I) | 35 50 65 | 9.72 13.9 18.1 | 13.8 12.5 10 | 67 73 70 | 2900 | 3 |
| 65-100(I)A | 31.3 44.7 58 | 8.7 12.4 16.1 | 11 10 8 | 66 72 69 | 2900 | 2.2 |
| 65-125(I) | 35 50 65 | 9.72 13.9 18.1 | 22 20 17 | 67 72.5 70 | 2900 | 5.5 |
| 65-125(I)A | 31.5 45 58 | 8.7 12.5 16.1 | 17.5 16 13.6 | 66 71 69 | 2900 | 4 |
| 65-160(I) | 35 50 65 | 9.72 13.9 18.1 | 35 32 28 | 63 71 70 | 2900 | 7.5 |
| 65-160(I)A | 32.7 46.7 61 | 9.1 13.0 16.9 | 30.6 28 24 | 62 70 69 | 2900 | 7.5 |
| 65-160(I)B | 30.3 43.3 56.3 | 8.4 12.0 15.6 | 26 24 21 | 69 | 2900 | 5.5 |
| 65-200(I) | 35 50 65 | 9.72 13.9 18.1 | 53.5 50 46 | 55 67 68 | 2900 | 15 |
| 65-200(I)A | 32.8 47 61 | 9.1 13.1 16.9 | 47 44 40 | 54 66 67 | 2900 | 11 |
| 65-200(I)B | 30.5 43.5 56.6 | 8.5 12.1 15.7 | 40.6 38 33.4 | 65 | 2900 | 7.5 |
| 65-250(I) | 35 50 65 | 9.72 13.9 18.1 | 83 80 72 | 52 59 60 | 2900 | 22 |
| 65-250(I)A | 32.5 43.3 46.7 | 9.0 13.0 16.9 | 73 70 63 | 52 59 60 | 2900 | 18.5 |
| 65-250(I)B | 30 56 61 | 8.3 12.0 15.6 | 62 60 54 | 58 | 2900 | 15 |
| 65-315(I) | 35 50 65 | 9.72 13.9 18.1 | 128 125 121 | 44 54 57 | 2900 | 37 |
| 65-315(I)A | 32.5 46.5 60.5 | 9.0 12.9 16.8 | 112.6 110 106.4 | 43 54 57 | 2900 | 30 |
| 65-315(I)B | 31 44.5 58 | 8.6 12.4 16.1 | 102.5 100 98 | 53 | 2900 | 30 |
| 65-315(I)C | 29 41 53.6 | 8.1 11.4 14.9 | 87 85 83 | 51 | 2900 | 22 |
| 80-100 | 35 50 65 | 9.72 13.9 18.1 | 13.8 12.5 10 | 67 73 70 | 2900 | 3 |
| 80-100A | 31.3 44.7 58 | 8.7 12.5 16.1 | 11 10 8 | 66 72 69 | 2900 | 2.2 |
| 80-125 | 35 50 65 | 9.72 13.9 18.1 | 22 20 17 | 67 72.5 70 | 2900 | 5.5 |
| 80-125A | 31.3 45 58 | 8.7 12.5 16.1 | 17.5 16 13.6 | 66 71 69 | 2900 | 4 |
| 80-160 | 35 50 65 | 9.72 13.9 18.1 | 35 32 28 | 63 71 70 | 2900 | 7.5 |
| 80-160A | 32.7 46.7 61 | 9.1 13.0 16.9 | 30.6 28 24 | 62 70 69 | 2900 | 7.5 |
| 80-160B | 30.3 43.3 56.3 | 8.4 12.0 15.6 | 26 24 21 | 69 | 2900 | 5.5 |
| 80-200 | 35 50 65 | 9.72 13.9 18.1 | 53.5 50 46 | 55 67 68 | 2900 | 15 |
| 80-200A | 32.8 47 61 | 9.1 13.1 16.9 | 47 44 40 | 54 66 67 | 2900 | 11 |
| 80-200B | 30.5 43.5 56.6 | 8.5 12.1 15.7 | 40.6 38 33.4 | 65 | 2900 | 7.5 |
| 80-250 | 35 50 65 | 9.72 13.9 18.1 | 83 80 72 | 52 59 60 | 2900 | 22 |
| 80-250A | 32.5 46.7 61 | 9.0 13.0 16.9 | 73 70 63 | 52 59 60 | 2900 | 18.5 |
| 80-250B | 30 43.3 56 | 8.3 12.0 15.6 | 62 60 54 | 58 | 2900 | 15 |
| 80-315 | 35 50 65 | 9.72 13.9 18.1 | 128 125 122 | 43 54 57 | 2900 | 37 |
| 80-315A | 32.5 46.5 60.5 | 9.0 12.9 16.8 | 112.6 110 107.4 | 43 54 57 | 2900 | 30 |
| 80-315B | 31 44.5 58 | 8.6 12.4 16.1 | 102.5 100 98 | 53 | 2900 | 30 |
| 80-315C | 29 41 53.6 | 8.1 11.4 14.9 | 98 85 83 | 51 | 2900 | 22 |
| 80-350 | 35 50 65 | 9.72 13.9 18.1 | 153.6 150 142 | 55 66 67 | 2900 | 55 |
| 80-350A | 31 44.5 58 | 8.6 12.4 16.1 | 145.6 142 134.8 | 65 | 2900 | 45 |
| 80-350B | 29 41 53.6 | 8.1 11.4 14.9 | 138.6 135 127.8 | 63 | 2900 | 37 |
| 80-100(I) | 70 100 130 | 19.4 27.8 36.1 | 13.6 12.5 11 | 66 76 75 | 2900 | 5.5 |
| 80-100(I)A | 62.6 89 116 | 17.4 24.7 32.2 | 11 10 8.8 | 64 74 74 | 2900 | 4 |
| 80-125(I) | 70 100 130 | 19.4 27.8 36.1 | 23.5 20 14 | 70 76 65 | 2900 | 11 |
| 80-125(I)A | 62.6 89 116 | 17.4 24.7 32.2 | 19 16 11 | 68 74 65 | 2900 | 7.5 |
| 80-160(I) | 70 100 130 | 19.4 27.8 36.1 | 36.5 32 24 | 70 76 65 | 2900 | 15 |
| 80-160(I)A | 65.4 93.5 121.6 | 18.2 26.0 33.8 | 32 28 21 | 68 74 67 | 2900 | 11 |
| 80-160(I)B | 60.6 86.6 112.6 | 16.8 24.1 31.3 | 26 24 18 | 72 | 2900 | 11 |
| 80-200(I) | 70 100 130 | 19.4 27.8 36.1 | 54 50 42 | 65 74 73 | 2900 | 22 |
| 80-200(I)A | 65.4 93.5 121.6 | 18.2 26.0 33.8 | 47.5 44 37 | 67 73 72 | 2900 | 18.5 |
| 80-200(I)B | 61 87 113 | 16.9 24.2 31.4 | 41 38 32 | 71 | 2900 | 15 |
| 80-250(I) | 70 100 130 | 19.4 27.8 36.1 | 87 80 68 | 62 69 68 | 2900 | 37 |
| 80-250(I)A | 65.4 93.5 121.6 | 18.2 26.0 33.8 | 76 70 59.5 | 61 68 67 | 2900 | 30 |
| 80-250(I)B | 61 87 113 | 16.9 24.2 31.4 | 65 60 51 | 66 | 2900 | 22 |
| 80-315(I) | 70 100 130 | 19.4 27.8 36.1 | 132 125 114 | 55 66 67 | 2900 | 75 |
| 80-315(I)A | 66.5 95 123.6 | 18.5 26.4 34.3 | 119 113 103 | 55 66 67 | 2900 | 55 |
| 80-315(I)B | 63 90 117 | 17.5 25 32.5 | 106.6 101 92 | 65 | 2900 | 45 |
| 80-315(I)C | 58 82 107 | 16.1 22.8 29.7 | 90 85 76 | 63 | 2900 | 37 |
| 100-100 | 70 100 130 | 19.4 27.8 36.1 | 13.6 12.5 11 | 66 76 75 | 2900 | 5.5 |
| 100-100A | 62.6 89 116 | 17.4 47 32.2 | 11 10 8.8 | 64 74 74 | 2900 | 4 |
| 100-125 | 70 100 130 | 19.4 27.8 36.1 | 23.5 20 14 | 70 76 65 | 2900 | 11 |
| 100-125A | 62.6 89 116 | 17.4 24.7 32.2 | 19 16 11 | 68 74 63 | 2900 | 7.5 |
| 100-160 | 70 100 130 | 19.4 27.8 36.1 | 36.5 32 24 | 70 76 65 | 2900 | 15 |
| 100-160A | 65.4 93.5 121.6 | 18.2 26.0 33.8 | 32 28 21 | 68 74 67 | 2900 | 11 |
| 100-160B | 60.6 86.6 112.5 | 16.8 24.1 31.3 | 27 24 18 | 72 | 2900 | 11 |
| 100-200 | 70 100 130 | 19.4 27.8 36.1 | 54 50 42 | 65 74 73 | 2900 | 22 |
| 100-200A | 65.4 93.5 121.6 | 18.2 26.0 33.8 | 47.5 44 37 | 64 73 72 | 2900 | 18.5 |
| 100-200B | 61 87 113 | 16.9 24.2 31.4 | 41 38 32 | 71 | 2900 | 15 |
| 100-250 | 70 100 130 | 19.4 27.8 36.1 | 87 80 68 | 62 69 68 | 2900 | 37 |
| 100-250A | 65.4 93.5 121.6 | 18.2 26.0 33.8 | 76 70 59.5 | 61 68 67 | 2900 | 30 |
| 100-250B | 61 87 113 | 16.9 24.2 31.4 | 65 60 51 | 66 | 2900 | 22 |
| 100-315 | 70 100 130 | 19.4 27.8 36.1 | 132 125 114 | 55 66 67 | 2900 | 75 |
| 100-315A | 66.5 95 123.6 | 18.5 26.4 34.3 | 119 113 103 | 65 66 67 | 2900 | 55 |
| 100-315B | 63 90 117 | 17.5 25 32.5 | 106.6 101 92 | 65 | 2900 | 45 |
| 100-315C | 58 82 107 | 16.1 27.8 29.7 | 90 85 76 | 63 | 2900 | 37 |
| 100-350 | 60 100 120 | 16.7 27.8 33.3 | 153.6 150 142 | 72 57 74 | 2900 | 90 |
| 100-350A | 61 87 113 | 16.9 24.2 31.4 | 145.6 142 134 | 75 | 2900 | 75 |
| 100-350B | 58 82 107 | 16.1 22.8 29.7 | 138.6 135 127 | 75 | 2900 | 55 |
| 100-100(I) | 96 160 192 | 26.7 44.4 53.3 | 14 12.5 10 | 64 73 70 | 2900 | 11 |
| 100-125(I) | 96 160 192 | 26.7 44.4 53.3 | 24 20 14 | 62 74 69 | 2900 | 15 |
| 100-125(I)A | 84 140 168 | 23.3 39 46.7 | 20 17 12 | 64 72 68 | 2900 | 11 |
| 100-160(I) | 96 160 192 | 26.7 44.4 53.3 | 36 32 27 | 69 79 75 | 2900 | 22 |
| 100-160(I)A | 84 140 168 | 23.3 39 46.7 | 32 28 23.5 | 66 76 72 | 2900 | 18.5 |
| 100-200(I) | 96 160 192 | 26.7 44.4 53.3 | 53 50 45 | 69 79 78 | 2900 | 37 |
| 100-200(I)A | 84 140 168 | 23.3 39 46.7 | 48 45 40 | 64 74 73 | 2900 | 30 |
| 100-200(I)B | 60 100 120 | 16.7 27.8 33.3 | 43 40 36 | 72 | 2900 | 22 |
| 100-250(I) | 96 160 192 | 26.7 44.4 53.3 | 83 80 72 | 65 77 74 | 2900 | 55 |
| 100-250(I)A | 84 140 168 | 23.3 39 46.7 | 75 72 65 | 60 72 69 | 2900 | 45 |
| 100-250(I)B | 60 100 120 | 16.7 27.8 33.3 | 68 65 58 | 70 | 2900 | 37 |
| 125-100 | 96 160 192 | 26.7 44.4 53.3 | 13 12.5 12 | 82 | 2900 | 11 |
| 125-100A | 86 143 172 | 23.9 39.7 47.8 | 10.4 10 9.6 | 77 | 2900 | 7.5 |
| 125-125 | 96 160 192 | 26.7 44.4 53.3 | 22.6 20 9.6 | 80 | 2900 | 15 |
| 125-125A | 86 143 172 | 23.9 39.7 47.8 | 18 16 13.6 | 77 | 2900 | 11 |
| 125-160 | 96 160 192 | 26.7 44.4 53.3 | 36 32 28 | 78 | 2900 | 22 |
| 125-160A | 90 150 180 | 25 41.7 50 | 31.5 28 24.5 | 76 | 2900 | 18.5 |
| 125-160B | 83 138 166 | 21.7 38.3 46.1 | 27 24 21 | 73 | 2900 | 15 |
| 125-200 | 96 160 192 | 26.7 44.4 53.3 | 55 50 46 | 77 | 2900 | 37 |
| 125-200A | 90 150 180 | 25 41.7 50 | 48.4 44 40.5 | 76 | 2900 | 30 |
| 125-200B | 83 138 166 | 31.7 38.3 46.1 | 41.3 37.5 34.5 | 75 | 2900 | 22 |
| 125-250 | 96 160 192 | 26.7 4.4 53.3 | 87 80 73 | 75 | 2900 | 55 |
| 125-250A | 90 150 180 | 25 41.7 50 | 84 76 70 | 74 | 2900 | 45 |
| 125-250B | 83 138 166 | 21.7 38.3 46.1 | 65 60 55 | 73 | 2900 | 37 |
| 125-315 | 96 160 192 | 26.7 44.7 53.3 | 133 125 119 | 70 | 2900 | 90 |
| 125-315A | 90 150 180 | 25 41.7 50 | 117 110 104.6 | 70 | 2900 | 75 |
| 125-315B | 86 143 172 | 23.9 39.7 47.8 | 106.4 100 95.2 | 69 | 2900 | 75 |
| 125-315C | 80.5 134 161 | 22.4 37.2 44.7 | 96 88 86 | 67 | 2900 | 55 |
| 150-125 | 96 160 192 | 26.7 44.4 53.3 | 22.6 20 17 | 66 76 76 | 2900 | 15 |
| 150-125A | 90 150 180 | 25 41.7 50 | 18 16 13.6 | 77 | 2900 | 11 |
| 150-160 | 96 160 192 | 26.7 44.4 53.3 | 36 32 27 | 75 | 2900 | 22 |
| 150-160A | 90 150 180 | 25 41.7 50 | 32 28 23.5 | 76 | 2900 | 18.5 |
| 150-160B | 84 140 168 | 23.3 39 46.7 | 27 24 21 | 73 | 2900 | 15 |
| 150-200 | 140 200 260 | 38.9 55.6 72.2 | 13.8 12.5 10.6 | 68 78 78 | 1450 | 15 |
| 150-200A | 125 176 232.5 | 34.7 49.7 64.6 | 11 10 8.5 | 66 76 76 | 1450 | 11 |
| 150-200B | 110 160 207 | 31 44.4 57.6 | 9.2 8 6.8 | 75 | 1450 | 7.5 |
| 150-250 | 140 200 260 | 38.9 55.6 72.2 | 21.8 20 17 | 73 79 77 | 1450 | 18.5 |
| 150-250A | 129 184.4 240 | 35.8 51.2 66.7 | 18.5 17 14.4 | 72 78 76 | 1450 | 15 |
| 150-250B | 117 167 217.5 | 32.5 46.4 60.4 | 15.2 14 12 | 76 | 1450 | 11 |
| 150-315 | 140 200 260 | 38.9 55.6 72.2 | 33.8 32 28 | 70 78 73 | 1450 | 30 |
| 150-315A | 131 187 243 | 36.4 51.9 67.5 | 29.5 28 24.5 | 69 77 77 | 1450 | 22 |
| 150-315B | 121 173 225 | 33.5 48.1 62.5 | 25 24 21 | 76 | 1450 | 18.5 |
| 150-350 | 96 160 192 | 26.7 44.4 53.3 | 153.6 150 142.8 | 80 | 2900 | 110 |
| 150-350A | 90 150 180 | 25 41.7 50 | 145.6 142 134.8 | 70 | 2900 | 90 |
| 150-350B | 84 140 168 | 23.3 39 46.7 | 138.6 135 127.8 | 65 76 74 | 2900 | 75 |
| 150-400 | 140 200 260 | 38.9 55.6 72.2 | 53 50 44 | 68 75 71 | 1450 | 45 |
| 150-400A | 131 187 243 | 36.4 51.9 67.5 | 46.6 44 38.3 | 67 74 70 | 1450 | 37 |
| 150-400B | 122 174 226.5 | 33.9 48.3 62.9 | 40 38 33 | 73 | 1450 | 30 |
| 150-400C | 112 160 208 | 31.1 44.4 57.8 | 34 32 28 | 71 | 1450 | 22 |
| 150-250(I) | 120 200 240 | 33.3 55.6 66.7 | 87 80 72 | 65 76 74 | 2900 | 75 |
| 150-250(I)A | 112 187 224 | 31.1 51.9 62.2 | 76 70 63 | 64 75 73 | 2900 | 55 |
| 150-250(I)B | 104 173 208 | 28.9 48.1 57.8 | 65 60 54 | 63 74 72 | 2900 | 45 |
| 150-315(I) | 120 200 240 | 33.3 55.6 66.7 | 133 125 120 | 58 73 75 | 2900 | 110 |
| 150-315(I)A | 112 187 224 | 31.1 51.9 62.2 | 116 110 105 | 57 72 74 | 2900 | 90 |
| 150-315(I)B | 104 173 208 | 28.9 48.1 57.8 | 100 95 91 | 55 70 72 | 2900 | 75 |
| 200-200 | 140 200 260 | 38.9 55.6 72.2 | 13.8 12.5 10.6 | 68 78 78 | 1450 | 15 |
| 200-200A | 125 179 232.5 | 34.7 49.7 64.6 | 11 10 8.5 | 66 76 76 | 1450 | 11 |
| 200-250 | 140 200 260 | 38.9 55.6 72.2 | 21.8 20 17 | 73 79 77 | 1450 | 18.5 |
| 200-250A | 129 184.4 240 | 35.8 51.2 66.7 | 18.5 17 14.4 | 72 78 76 | 1450 | 15 |
| 200-250B | 117 167 217.5 | 32.5 46.4 60.4 | 15.2 14 12 | 76 | 1450 | 11 |
| 200-315 | 140 200 260 | 38.9 55.6 72.2 | 33.8 32 28 | 70 78 78 | 1450 | 30 |
| 200-315A | 131 189 243 | 36.4 51.9 67.5 | 29.5 28 24.5 | 69 77 77 | 1450 | 22 |
| 200-315B | 121 173 225 | 33.6 48.1 62.5 | 25 24 21 | 76 | 1450 | 18.5 |
| 200-400 | 140 200 260 | 38.9 55.6 72.2 | 53 50 44 | 68 75 71 | 1450 | 45 |
| 200-400A | 131 187 243 | 36.4 51.9 67.5 | 46.6 44 38.3 | 67 74 70 | 1450 | 37 |
| 200-400B | 122 174 226.5 | 33.9 48.6 62.9 | 40 38 33 | 73 | 1450 | 30 |
| 200-400C | 112 160 208 | 31.3 44.4 57.8 | 34 32 28 | 71 | 1450 | 22 |
| 200-200(I) | 280 400 520 | 77.8 111.1 114 | 13.4 12.5 10.5 | 70 80 79 | 1450 | 22 |
| 200-200(I)A | 250 358 465 | 69.4 99.4 129.2 | 10.7 10 8.5 | 68 78 77 | 1450 | 18.5 |
| 200-250(I) | 280 400 520 | 77.8 111.4 114 | 22.2 20 14 | 75 80 72 | 1450 | 30 |
| 200-250(I)A | 250 358 465 | 69.4 99.6 129.2 | 18 14 11.2 | 73 78 70 | 1450 | 22 |
| 200-250(I)B | 226 322 419 | 62.8 89.4 116.4 | 14.4 13 7.3 | 70 75 67 | 1450 | 18.5 |
| 200-315(I) | 280 400 520 | 77.8 111.4 144 | 36 32 26 | 73 80 75 | 1450 | 55 |
| 200-315(I)A | 262 374 486 | 72.8 103.9 135 | 31.5 28 23 | 72 79 74 | 1450 | 45 |
| 200-315(I)B | 242 346 450 | 67.2 96.1 125 | 27 24 19.5 | 78 | 1450 | 37 |
| 200-400(I) | 280 400 520 | 77.8 111.4 144 | 54.5 50 39 | 75 81 77 | 1450 | 75 |
| 200-400(I)A | 262 374 486 | 72.8 103.9 135 | 48 44 34 | 80 | 14550 | 75 |
| 200-400(I)B | 242 346 450 | 67.2 96.1 125 | 41.4 38 29.6 | 78 | 1450 | 55 |
| 200-400(I)C | 224 320 416 | 62.2 88.9 115.6 | 34.9 32 25 | 76 | 1450 | 45 |
| 250-250 | 350 550 650 | 97.2 152.8 180.5 | 22 20 16 | 78 82 81 | 1450 | 45 |
| 250-250A | 300 500 600 | 83.3 139 166.7 | 18.3 17 14 | 76 80 80 | 1450 | 37 |
| 250-235 | 300 500 600 | 83.3 139 166.7 | 14 12.5 11 | 73 78 70 | 1450 | 22 |
| 250-300 | 300 500 600 | 83.3 139 166.7 | 22 20 16 | 78 | 1450 | 37 |
| 250-315 | 350 550 650 | 97.2 152.8 180.5 | 34 32 28 | 76 80 79 | 1450 | 75 |
| 250-315A | 300 500 600 | 83.3 139 166.7 | 29.5 28 24 | 74 78 77 | 1450 | 55 |
| 250-315B | 260 450 250 | 72.2 125 144.4 | 25 24 20 | 70 74 72 | 1450 | 45 |
| 250-400 | 300 500 600 | 83.3 139 166.7 | 54.5 50 39 | 72 | 1480 | 110 |
| 250-400A | 262 450 521 | 72.7 125 144.7 | 46.6 44 38.3 | 69 | 1480 | 90 |
| 250-500 | 385 550 660 | 106.9 152.8 183.3 | 87 80 68 | 80 | 1480 | 160 |
| 250-500A | 357 510 612 | 99.2 141.7 170 | 76.1 70 59.5 | 78 | 1480 | 132 |
| 250-500B | 329 470 564 | 91.4 130.6 156.7 | 65.2 60 51 | 75 | 1480 | 110 |
| 300-235 | 540 720 900 | 150 200 250 | 20.5 18 15.0 | 77 81 74 | 1450 | 55 |
| 300-235A | 450 600 720 | 125 166 200 | 17.2 15 12.5 | 74 79 77 | 1450 | 45 |
| 300-235B | 420 540 650 | 116.7 150 181 | 14.3 12.8 10.5 | 73 78 70 | 1450 | 37 |
| 300-250 | 540 720 900 | 150 200 250 | 22.5 20 17 | 80 83 84 | 1450 | 55 |
| 300-250A | 450 600 720 | 136 166 200 | 19.5 17 14 | 81 | 1450 | 45 |
| 300-300 | 540 720 900 | 150 200 250 | 32 28 23 | 82 | 1480 | 75 |
| 300-300A | 450 600 720 | 125 166 200 | 27.5 24 20 | 80 | 1480 | 75 |
| 300-300B | 420 540 650 | 116.7 150 181 | 24 21 17 | 78 | 1480 | 55 |
| 300-315 | 540 720 900 | 150 200 250 | 35 32 26 | 84 | 1480 | 90 |
| 300-315A | 460 650 800 | 127.8 180 222 | 31.5 28 23.5 | 80 | 1480 | 75 |
| 300-315B | 420 580 700 | 116.7 161 194 | 27 24 20.0 | 78 | 1480 | 55 |
| 300-380 | 480 720 900 | 133.3 200 250 | 48 44 34 | 84 | 970 | 132 |
| 300-380A | 444 666 833 | 123.3 185 231.4 | 41.4 38 30 | 80 | 970 | 110 |
| 300-380B | 400 614 764 | 113.6 170.6 213.1 | 35 32 25 | 78 | 970 | 90 |
| 300-390 | 540 720 900 | 150 200 250 | 20.5 18 15.5 | 78 81 76 | 980 | 55 |
| 300-390A | 450 600 720 | 126 167 200 | 17.2 15 12.8 | 77 79 75 | 980 | 45 |
| 300-390B | 400 540 650 | 111 150 180 | 14 12.5 11.5 | 74 77 76 | 980 | 37 |
| 300-400 | 450 600 720 | 125 166 200 | 55 50 42.5 | 78 | 1480 | 110 |
| 300-480 | 540 720 900 | 150 200 250 | 31 28 24 | 79 81 80 | 980 | 75 |
| 300-480A | 450 600 720 | 126 166 200 | 27.4 24 20.0 | 78 80 79 | 980 | 75 |
| 300–480B | 400 540 650 | 111 150 180 | 24 21 17 | 79 | 980 | 55 |
| 300-315(I) | 650 950 1200 | 180.6 263.9 333.3 | 36 32 28 | 82 | 1450 | 132 |
| 300-315(I)A | 600 900 1150 | 166.7 250 320 | 32 28 24 | 80 | 1450 | 110 |
| 350-235 | 600 800 960 | 167 222 267 | 14 12.5 10.5 | 80 83 82 | 980 | 37 |
| 350-235(I) | 800 1080 1350 | 222.2 300 375 | 20 16 12 | 80 83 82 | 980 | 75 |
| 350-300 | 600 800 960 | 167 222 267 | 22.5 20 17.5 | 79 82 71 | 980 | 75 |
| 350-315 | 600 800 960 | 167 222 267 | 35.5 32 28.5 | 84 | 980 | 90 |
| 350-400 | 600 800 960 | 167 222 267 | 55 50 45.5 | 83 | 980 | 160 |
| 400-300 | 920 1180 1300 | 255 328 361 | 23 19 16 | 78 | 980 | 90 |
| 400-315 | 950 1250 1500 | 264 347 416 | 32 28 24 | 76 | 980 | 132 |
| 500-235 | 1500 1800 2000 | 416 500 556 | 16 14 12 | 75 | 980 | 110 |
| 500-300 | 1400 1700 1900 | 388 472 528 | 22 20 18 | 80 | 980 | 132 |